Запчасти Case TV380 (55.015.AA) - NH3 ELECTRONIC CONTROL UNIT (55) - ELECTRICAL SYSTEMS

Схема запчастей Case TV380 - (55.015.AA) - NH3 ELECTRONIC CONTROL UNIT (55) - ELECTRICAL SYSTEMS
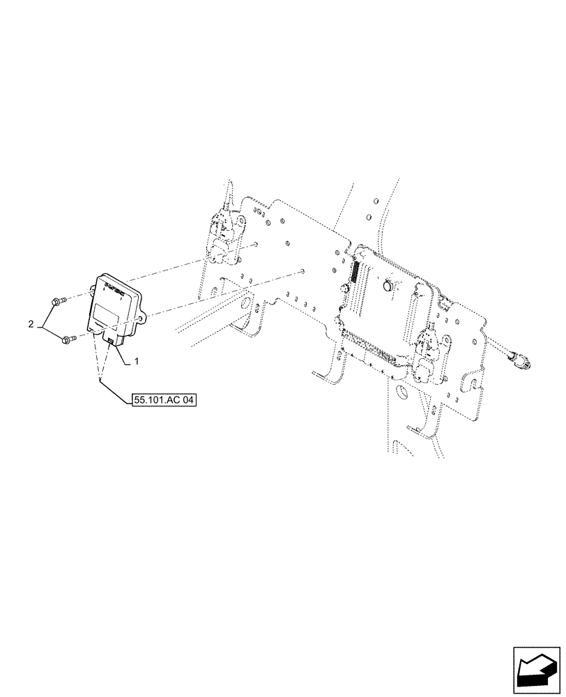
55.101.ac 04
2
1
FIT
1:1
100%

Артикул

Название

Примечание

Количество

1

47368959

ECU

NH3

1шт.

2

87017606

SELF-TAP SCREW,Hex Flng, M6 x 1 x 20mm

2шт.

Выбрано товаров: 2