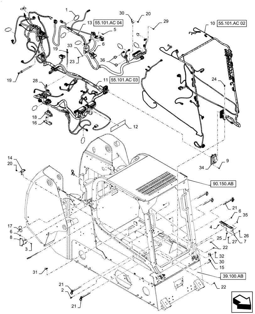
Запчасти Case TV380 (55.101.AC[01]) - WIRE HARNESS & CONNECTOR, MECHANICAL CONTROLS (55) - ELECTRICAL SYSTEMS

Схема запчастей Case TV380 - (55.101.AC[01]) - WIRE HARNESS & CONNECTOR, MECHANICAL CONTROLS (55) - ELECTRICAL SYSTEMS
39.100.ab
32
20
11
21
31
20
19
23
1
16
6
21
22
33
27
7
9
4
34
8
14
18
3
29
13
5
17
10
6
19
26
21
6
12
2
36
15
22
30
28
24
30
35
25
55.101.ac 02
55.101.ac 03
55.101.ac 04
90.150.ab
FIT
1:1
100%

Артикул

Название

Примечание

Количество

1

263117

CABLE TIE,292.1mm L, Nylon, Black

Nylon

28шт.

2

9671714

FLANGE BOLT,Hex, M8 x 1.25 x 25mm, Cl 8.8

1шт.

3

9706703

CARRIAGE BOLT,Sht Sq Nk, M6 x 1 x 20mm, Cl 8.8, Full Thd

2шт.

4

9804255

BOLT,Hex, M6 x 1 x 16mm, Full Thd, Cl 8.8

2шт.

5

9804256

BOLT,Hex, M6 x 1 x 20mm, Full Thd, Cl 8.8

2шт.

6

9804276

FLANGE NUT,Hex, M6 x 1, Cl 8

6шт.

7

47646213

ANGLE

Relay Mounting

1шт.

8

47651229

ANGLE

Fuse

1шт.

9

47706008

SCREW,Pan Head, #10 - 14 x 5/8"

Plastite 10 - 14 x 5/8"

4шт.

10

47747239

WIRE HARNESS

Cab Mech, Years: -13-NOV-16

1шт.

10

47912908

WIRE HARNESS

Cab Mech, Start Year: 14-NOV-16

1шт.

11

47747259

WIRE HARNESS

Chassis Mech. Incl 37, Years: -13-NOV-16

1шт.

11

47961493

WIRE HARNESS

Chassis Mech. Incl 37, Start Year: 14-NOV-16

1шт.

12

47798490

DECAL

Fuse Box Layout, Mech, Years: -13-NOV-16

1шт.

12

47946305

DECAL

Fuse Box Layout, Mech, Start Year: 14-NOV-16

1шт.

13

47801012

WIRE HARNESS

Chassis EH, Years: -13-NOV-16

1шт.

13

47961520

WIRE HARNESS

Chassis EH, Start Year: 14-NOV-16

1шт.

14

47807585

BRACKET

Harness Crossover

1шт.

15

47807590

BRACKET

LWR Guide, Crossover

1шт.

16

47807591

BRACKET

Control Tray

1шт.

17

82012869

CABLE TIE,300mm L, Nylon, Black

Nylon, Connector Wire

4шт.

18

84131374

MODULE

Prop Aux

1шт.

19

84259663

CABLE TIE,228.6mm L, Nylon, Black

Nylon

1шт.

20

84285339

SELF-TAP SCREW,Hex, M8 x 1.25 x 15mm

2шт.

21

84420746

CABLE TIE,403.9mm L, Nylon

Nylon

10шт.

22

84420768

FASTENER,Pine Tree, 5/8" x 20.01mm

10шт.

23

86511839

BOLT,Hvy Hex, M6 x 30mm, Cl 8.8

1шт.

24

86511841

BOLT,Flng, M8 x 1.25 x 16mm, Full Thd, Cl 8.8

2шт.

25

86512520

BOLT,Hvy Hex, M8 x 12mm, Cl 8.8, Full Thd

2шт.

26

86639241

NUT,Prev Torque, M5 x 0.8, Cl 8

1шт.

27

86639263

BOLT,Hex, M5, Cl 8

1шт.

28

87010657

CLAMP,34.9mm, Coat, 8.7mm Bolt Hole, P Type

1шт.

29

87017606

SELF-TAP SCREW,Hex Flng, M6 x 1 x 20mm

1шт.

30

87035382

CLAMP,30.2mm, Coat, 10.3mm Bolt Hole, P Type

2шт.

31

87301490

CLAMP,12.7mm, Coat, 10.3mm Bolt Hole, J Type

1шт.

32

87311354

SPACER,10.7mm ID x 17.1mm OD x 14.2mm L

1шт.

33

87655041

SPECIAL WASHER,6.85mm ID x 13.5mm OD x 2mm Thk

1шт.

34

87718301

WIRE CONNECTOR,Flange

DRB Flange Interface, Incl in 11

1шт.

35

229197A1

SQUARE NUT,M8 x 1.25, Cl 8

2шт.

36

L11541

CABLE TIE,203.2mm L, Nylon

10шт.

37

82013124

RELAY,12V, 30A

ABS/Glow Plugs, Not Illustrated

1шт.

Выбрано товаров: 41