Запчасти Case TV380 (55.404.BM) - REAR LIGHTS (55) - ELECTRICAL SYSTEMS

Схема запчастей Case TV380 - (55.404.BM) - REAR LIGHTS (55) - ELECTRICAL SYSTEMS
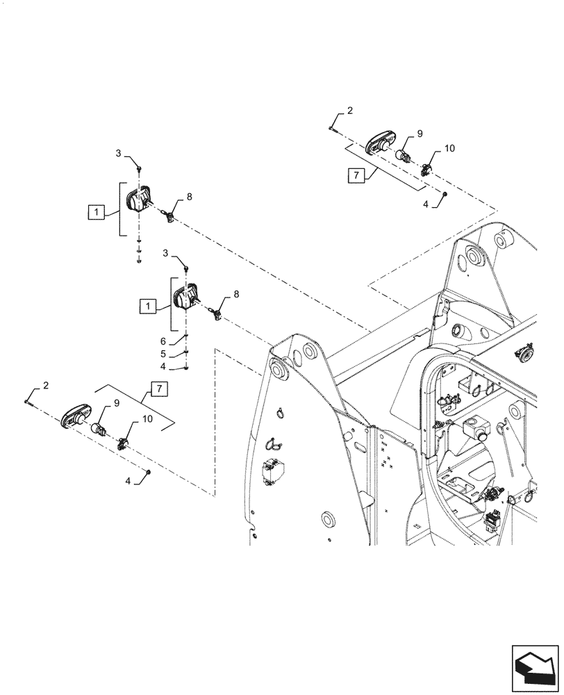
8
2
1
9
6
4
9
10
2
4
10
1
5
7
4
8
3
3
7
FIT
1:1
100%

Артикул

Название

Примечание

Количество

1

84306337

WORK LAMP,12V, 37.5W, Clear

Incl 8

2шт.

2

86502967

SCREW,Phillips Drive, Pan HD, M5 x 30mm, Cl 4.8

4шт.

3

86511838

BOLT,Hvy Hex, M5 x 12mm, Cl 8.8, Full Thd

4шт.

4

86512495

FLANGE NUT,Hex, M5, Cl 8

8шт.

5

86588450

WASHER,6.6mm ID x 12mm OD x 1.6mm Thk

4шт.

6

86625264

LOCK WASHER,Ext Tooth, M5

4шт.

7

87627854

LIGHT ASSY.,12V, 27W, Red

Tail / Stop, Incl 9, 10

2шт.

8

9847313

BULB,#894, 12V, 37.5W

2шт.

9

87642985

BULB,3157, 12V, 26.5W, Clear

2шт.

10

87642986

LAMP SOCKET

3157, 12V

2шт.

Выбрано товаров: 10