Запчасти Case TV380 (55.408.BE) - COMMON INSTRUMENTS & ELECTRICAL (55) - ELECTRICAL SYSTEMS

Схема запчастей Case TV380 - (55.408.BE) - COMMON INSTRUMENTS & ELECTRICAL (55) - ELECTRICAL SYSTEMS
90.150.ab
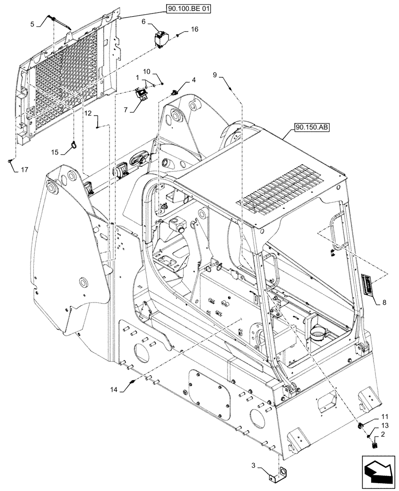
7
15
1
17
10
12
8
3
14
9
4
5
2
13
16
6
11
90.100.be 01
FIT
1:1
100%

Артикул

Название

Примечание

Количество

1

80707

WASHER,0.25" ID x 0.56" OD x 0.05" Thk

2шт.

2

47376503

ROTARY SWITCH

Lights

1шт.

3

47742435

BRACKET

CAN Diagnostic

1шт.

4

82002966

POWER SOCKET,M18 x 1

Aux Electrical

1шт.

5

84259663

CABLE TIE,228.6mm L, Nylon, Black

4шт.

6

324299A1

ALARM

Backup

1шт.

7

84357520

ECU

Glow Plugs

1шт.

8

84491577

DECAL

LH A-Post Console

1шт.

9

86511042

SCREW,Pan Head, M4 x 0.7 x 16mm, Cl 4.8

2шт.

10

86639241

NUT,Prev Torque, M5 x 0.8, Cl 8

1шт.

11

86729670

KNOB

Light Switch

1шт.

12

87308282

SCREW,HWH, #10 - 32 x 3/4"

1шт.

13

87310592

JAM NUT,7/16" - 28, Gr 5

1шт.

14

87688409

TEMPERATURE SENDER,M10 x 1.0

Water

1шт.

15

87668737

CABLE TIE,203.2mm L, Nylon, Black

2шт.

16

9804277

FLANGE NUT,Hex, M8 x 1.25, Cl 8

2шт.

17

9804258

BOLT,Hex, M8 x 1.25 x 20mm, Cl 8.8

2шт.

Выбрано товаров: 17