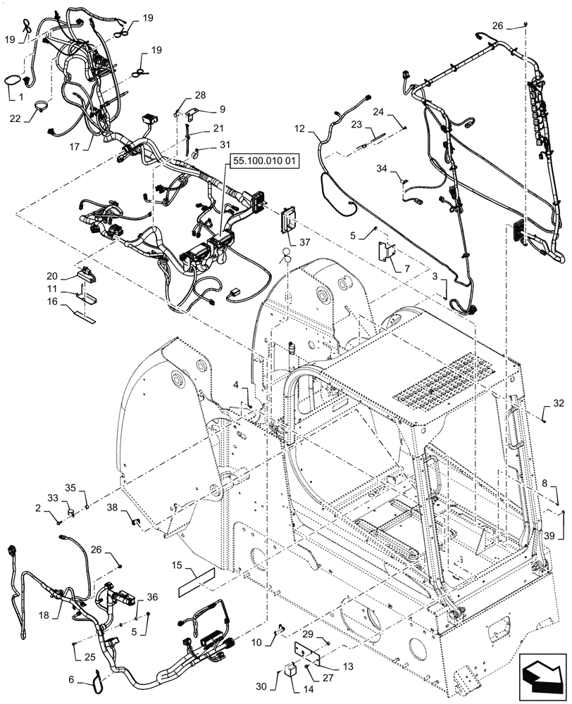
Запчасти Case TV380 (55.101.010[02]) - WIRE HARNESS, MECHANICAL CONTROLS, OPEN CAB (55) - ELECTRICAL SYSTEMS

Схема запчастей Case TV380 - (55.101.010[02]) - WIRE HARNESS, MECHANICAL CONTROLS, OPEN CAB (55) - ELECTRICAL SYSTEMS
55.100.010 01
1
20
38
34
4
11
25
2
21
18
27
32
3
8
12
5
31
16
14
5
24
6
10
29
19
33
17
39
9
22
35
19
26
19
15
26
28
37
13
30
7
23
36
FIT
1:1
100%

Артикул

Название

Примечание

Количество

1

263117

CABLE TIE,292.1mm L, Nylon, Black

3шт.

2

9671714

FLANGE BOLT,Hex, M8 x 1.25 x 25mm, Cl 8.8

1шт.

3

9706703

CARRIAGE BOLT,Sht Sq Nk, M6 x 1 x 20mm, Cl 8.8, Full Thd

2шт.

4

9804256

BOLT,Hex, M6 x 1 x 20mm, Full Thd, Cl 8.8

2шт.

5

9804276

FLANGE NUT,Hex, M6 x 1, Cl 8

4шт.

6

L18331

CABLE TIE,375.9mm L, Nylon, Black

2шт.

7

47651229

ANGLE

Fuse, Gray

1шт.

8

47706008

SCREW,Pan Head, #10 - 14 x 5/8"

4шт.

9

47807585

BRACKET

Harness Crossover

1шт.

10

47807590

BRACKET

Crossover, Lower Guide

1шт.

11

47807591

BRACKET

Control Tray

1шт.

12

47912910

WIRE HARNESS

Cab, Mech

1шт.

13

47920922

PLATE

Relay Mounting, Gray

1шт.

14

47932510

BRACKET

Relay Shield, Gray

1шт.

15

47946305

DECAL

Fuse Box Layout, Mech

1шт.

16

47955279

TAPE,150mm L

1шт.

17

47961493

WIRE HARNESS

Chassis, Mech

1шт.

18

47984455

WIRE HARNESS

Chassis, RH Tower

1шт.

19

82012869

CABLE TIE,300mm L, Nylon, Black

14шт.

20

84131374

MODULE

Prop Aux

1шт.

21

84259663

CABLE TIE,228.6mm L, Nylon, Black

1шт.

22

84360212

CABLE TIE,294.2mm L, Nylon

27шт.

23

84420746

CABLE TIE,403.9mm L, Nylon

10шт.

24

84420768

FASTENER,Pine Tree, 5/8" x 20.01mm

10шт.

25

86511839

BOLT,Hvy Hex, M6 x 30mm, Cl 8.8

1шт.

26

86511841

BOLT,Flng, M8 x 1.25 x 16mm, Full Thd, Cl 8.8

4шт.

27

86512520

BOLT,Hvy Hex, M8 x 12mm, Cl 8.8, Full Thd

2шт.

28

86637999

CLAMP,19mm, Coat, 11.9mm Bolt Hole, P Type

1шт.

29

86639241

NUT,Prev Torque, M5 x 0.8, Cl 8

1шт.

30

86639263

BOLT,Hex, M5, Cl 8

1шт.

31

87010657

CLAMP,34.9mm, Coat, 8.7mm Bolt Hole, P Type

1шт.

32

87017606

SELF-TAP SCREW,Hex Flng, M6 x 1 x 20mm

1шт.

33

87035382

CLAMP,30.2mm, Coat, 10.3mm Bolt Hole, P Type

1шт.

34

87301490

CLAMP,12.7mm, Coat, 10.3mm Bolt Hole, J Type

1шт.

35

87311354

SPACER,10.7mm ID x 17.1mm OD x 14.2mm L

1шт.

36

87655041

SPECIAL WASHER,6.85mm ID x 13.5mm OD x 2mm Thk

1шт.

37

87718301

WIRE CONNECTOR,Flange

1шт.

38

126844A1

PLUG,1.427” x .62” , Plastic

1шт.

39

229197A1

SQUARE NUT,M8 x 1.25, Cl 8

2шт.

Выбрано товаров: 39