Запчасти Case TV380 (55.404.030) - REAR ROAD LIGHTS (55) - ELECTRICAL SYSTEMS

Схема запчастей Case TV380 - (55.404.030) - REAR ROAD LIGHTS (55) - ELECTRICAL SYSTEMS
5
12
10
14
17
15
17
5
5
16
9
1
12
17
11
13
2
6
16
8
3
7
9
15
4
17
7
FIT
1:1
100%

Артикул

Название

Примечание

Количество

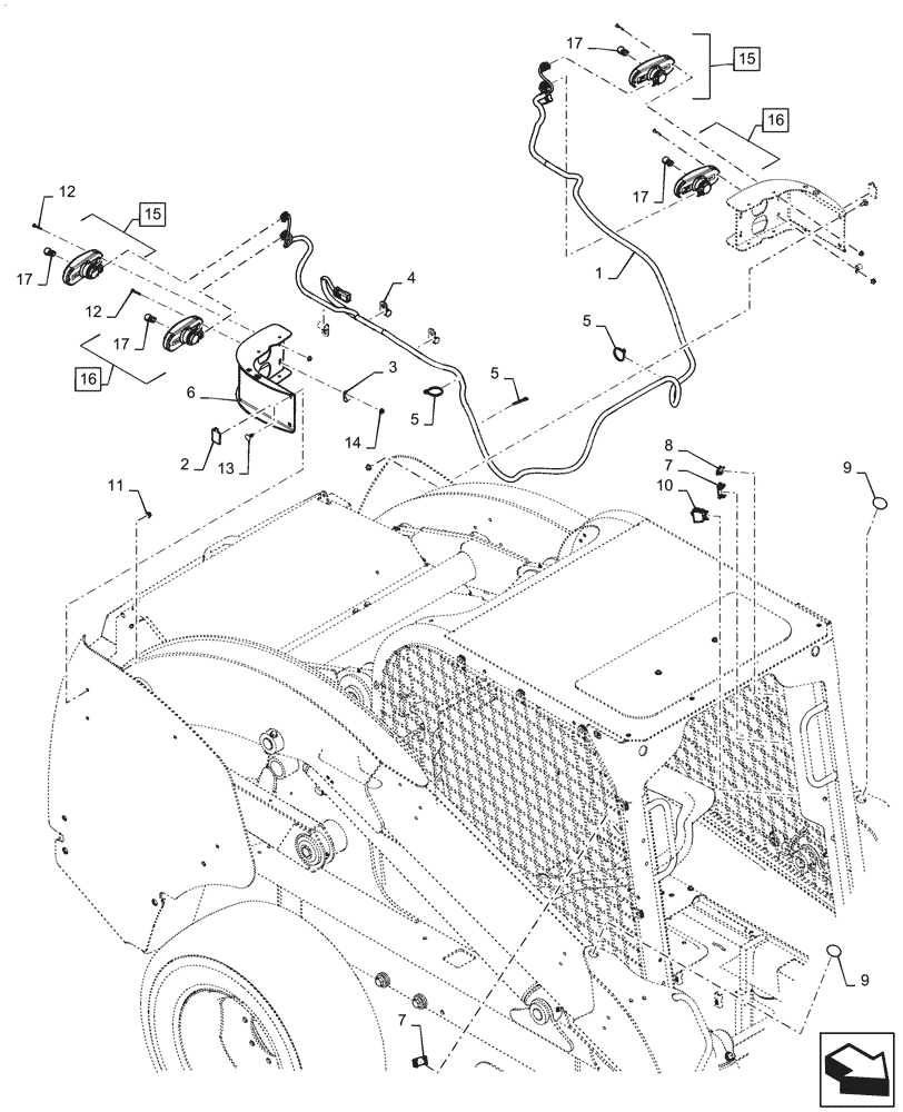
1

47680489

WIRE HARNESS

Rear, Road Jumper

1шт.

2

84416164

FOAM INSULATION

RH, Upper Chassis

2шт.

3

86625035

CLAMP,12.7mm, Coat, 7.1mm Bolt Hole, P Type

2шт.

4

86598598

CLAMP,19mm, Insulated, 13.5mm Bolt Hole - P Type

4шт.

5

L11541

CABLE TIE,203.2mm L, Nylon

4шт.

6

47870827

BRACKET

Rear Road Light Mouting, Tan

2шт.

7

126844A1

PLUG,1.427” x .62” , Plastic

Switch Hole

2шт.

8

86627432

PLASTIC PLUG

Turn Signal Indicator

1шт.

9

429630A2

CAP COVER,43mm OD

Lexan, Boom Hole

2шт.

10

84263153

SWITCH

Loader Lockout

1шт.

11

9804277

FLANGE NUT,Hex, M8 x 1.25, Cl 8

4шт.

12

86502967

SCREW,Phillips Drive, Pan HD, M5 x 30mm, Cl 4.8

8шт.

13

86512420

CARRIAGE BOLT,Rnd Head, M8 x 1.25 x 20mm, Full Thd, Cl 8.8

4шт.

14

86512495

FLANGE NUT,Hex, M5, Cl 8

8шт.

15

87627854

LIGHT ASSY.,12V, 27W, Red

Incl 17

2шт.

16

87629587

LIGHT ASSY.,12V, 27W, Amber

Incl 17

2шт.

17

87642985

BULB,3157, 12V, 26.5W, Clear

4шт.

Выбрано товаров: 17