Запчасти Case TV380 (55.101.AC[01]) - WIRE HARNESS & CONNECTOR, MECHANICAL CONTROLS (21-MAY-2015 THRU 13-NOV-2016) (55) - ELECTRICAL SYSTEMS

Схема запчастей Case TV380 - (55.101.AC[01]) - WIRE HARNESS & CONNECTOR, MECHANICAL CONTROLS (21-MAY-2015 THRU 13-NOV-2016) (55) - ELECTRICAL SYSTEMS
28
36
24
26
10
28
6
20
32
7
31
37
23
38
17
5
11
27
35
4
2
34
20
32
5
19
25
30
22
15
14
29
13
39
21
1
28
8
33
16
12
7
18
3
9
20
7
FIT
1:1
100%

Артикул

Название

Примечание

Количество

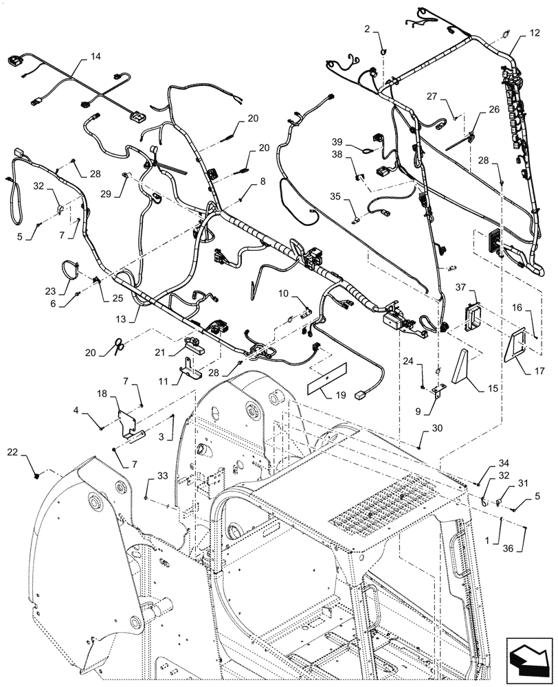
1

80707

WASHER,0.25" ID x 0.56" OD x 0.05" Thk

2шт.

2

263117

CABLE TIE,292.1mm L, Nylon, Black

3шт.

3

9706703

CARRIAGE BOLT,Sht Sq Nk, M6 x 1 x 20mm, Cl 8.8, Full Thd

2шт.

4

9804255

BOLT,Hex, M6 x 1 x 16mm, Full Thd, Cl 8.8

2шт.

5

9804257

FLANGE BOLT,Hex, M6 x 1.0 x 25mm, Cl 8.8, Full Thd

2шт.

6

9804258

BOLT,Hex, M8 x 1.25 x 20mm, Cl 8.8

1шт.

7

9804276

FLANGE NUT,Hex, M6 x 1, Cl 8

5шт.

8

9804277

FLANGE NUT,Hex, M8 x 1.25, Cl 8

1шт.

9

47807585

BRACKET

Harness Crossover

1шт.

10

47807590

BRACKET

Crossover, LWR Guide

1шт.

11

47807591

BRACKET

Control Tray

1шт.

12

47749752

WIRE HARNESS

Cab, Mechanical, Years: -13-JUL-15

1шт.

12

47813020

WIRE HARNESS

Cab, Mechanical, Start Year: 14-JUL-15

1шт.

13

47749729

WIRE HARNESS

Chassis, Mechanical, Years: -13-JUL-15

1шт.

13

47813038

WIRE HARNESS

Chassis, Mechanical, Start Year: 14-JUL-15

1шт.

14

47818404

WIRE HARNESS

Chassis, RH Tower

1шт.

15

47825018

FOAM INSULATION,172mm L x 27.9mm Thk

1шт.

16

47825034

SCREW,Pan Head, #10 - 14 x 5/8"

4шт.

17

47825472

PLATE

Bulkhead Adapter, Gray

1шт.

18

47832750

BRACKET

GCU Fuse Mount

1шт.

19

47864568

DECAL

Fuse Box Layout, Mechanical

1шт.

20

82012869

CABLE TIE,300mm L, Nylon, Black

5шт.

21

84131374

MODULE

Prop Aux

1шт.

22

84259663

CABLE TIE,228.6mm L, Nylon, Black

5шт.

23

84266050

CABLE TIE,384mm L, Polyamide

1шт.

24

84285339

SELF-TAP SCREW,Hex, M8 x 1.25 x 15mm

1шт.

25

84360210

BASE

Tie

1шт.

26

84420746

CABLE TIE,403.9mm L, Nylon

Pine Tree Fastener

10шт.

27

84420768

FASTENER,Pine Tree, 5/8" x 20.01mm

10шт.

28

86511841

BOLT,Flng, M8 x 1.25 x 16mm, Full Thd, Cl 8.8

6шт.

29

86598598

CLAMP,19mm, Insulated, 13.5mm Bolt Hole - P Type

1шт.

30

86625199

SELF-TAP SCREW,Hex, M6 x 1 x 13mm

1шт.

31

86637976

CLAMP,19mm, Coat, 8.7mm Bolt Hole, P Type

1шт.

32

86637977

CLAMP,25.4mm, Coat, 8.7mm Bolt Hole, P Type

2шт.

33

86639241

NUT,Prev Torque, M5 x 0.8, Cl 8

1шт.

34

87015931

BOLT,Hvy Hex, M6 x 35mm, Cl 8.8

1шт.

35

87301490

CLAMP,12.7mm, Coat, 10.3mm Bolt Hole, J Type

1шт.

36

87308282

SCREW,HWH, #10 - 32 x 3/4"

1шт.

37

87718301

WIRE CONNECTOR,Flange

DRB Flange Interface

1шт.

38

126844A1

PLUG,1.427” x .62” , Plastic

Switch Hole

1шт.

39

L11541

CABLE TIE,203.2mm L, Nylon

1шт.

Выбрано товаров: 41