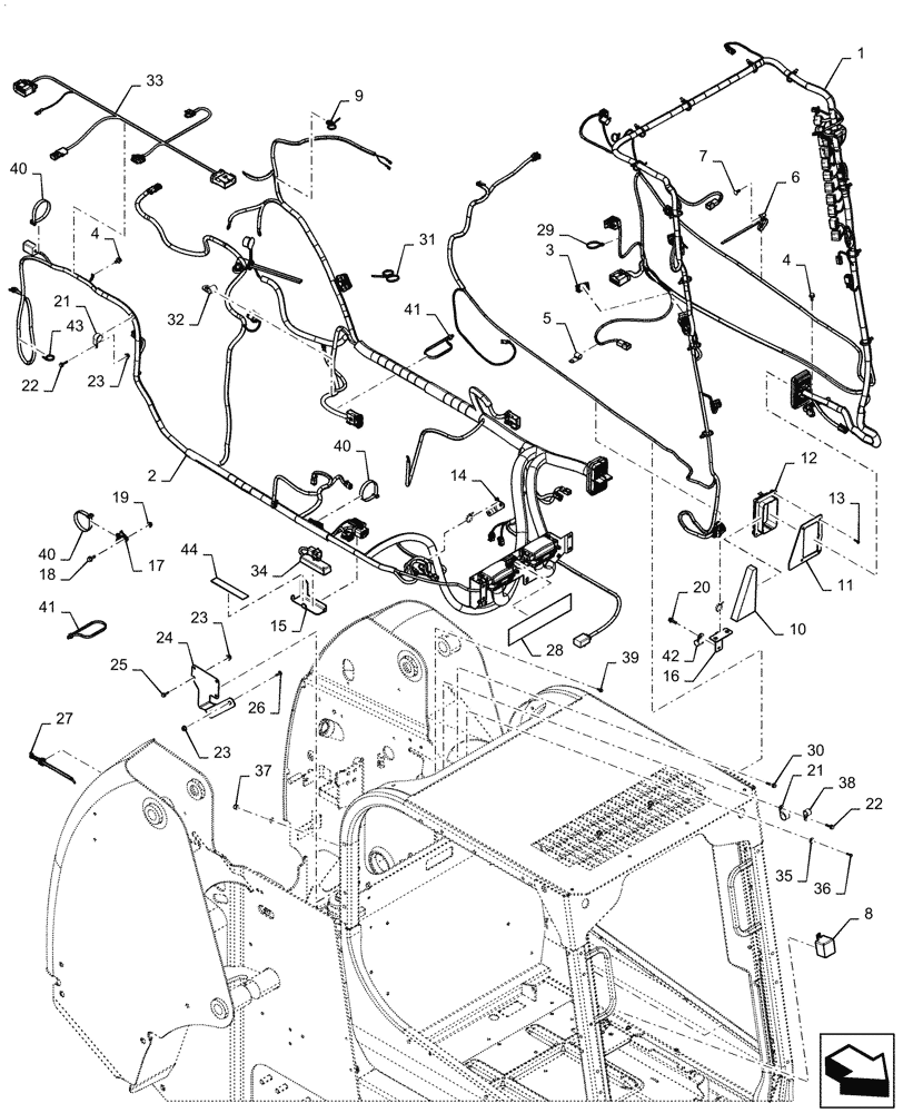
Запчасти Case TV380 (55.101.AC[02]) - WIRE HARNESS & CONNECTOR, MECHANICAL CONTROLS, OPEN CAB (14-NOV-2016 & NEWER) (55) - ELECTRICAL SYSTEMS

Схема запчастей Case TV380 - (55.101.AC[02]) - WIRE HARNESS & CONNECTOR, MECHANICAL CONTROLS, OPEN CAB (14-NOV-2016 & NEWER) (55) - ELECTRICAL SYSTEMS
40
24
42
33
20
19
2
11
29
23
25
12
30
4
1
26
40
21
6
7
22
4
35
8
15
32
16
13
38
39
44
21
23
22
28
3
10
36
23
34
40
37
41
41
14
31
27
17
18
5
43
9
FIT
1:1
100%

Артикул

Название

Примечание

Количество

1

47920676

WIRE HARNESS

Cab, Mechanical

1шт.

2

47961504

WIRE HARNESS

Chassis, Mechanical

1шт.

3

126844A1

PLUG,1.427” x .62” , Plastic

Switch Hole

1шт.

4

86511841

BOLT,Flng, M8 x 1.25 x 16mm, Full Thd, Cl 8.8

6шт.

5

87301490

CLAMP,12.7mm, Coat, 10.3mm Bolt Hole, J Type

1шт.

6

84420746

CABLE TIE,403.9mm L, Nylon

10шт.

7

84420768

FASTENER,Pine Tree, 5/8" x 20.01mm

10шт.

8

47932510

BRACKET

Relay Shield, Gray

1шт.

9

82013031

CABLE TIE,193mm L

1шт.

10

47825018

FOAM INSULATION,172mm L x 27.9mm Thk

1шт.

11

47867182

Bulkhead Adapter, Gray

PLATE

1шт.

12

87718301

WIRE CONNECTOR,Flange

1шт.

13

47825034

SCREW,Pan Head, #10 - 14 x 5/8"

4шт.

14

47807590

BRACKET

Crossover, Lower Guide

1шт.

15

47807591

BRACKET

Control Tray

1шт.

16

47807585

BRACKET

Harness Crossover

1шт.

17

84360210

BASE

Tie

1шт.

18

9804258

BOLT,Hex, M8 x 1.25 x 20mm, Cl 8.8

1шт.

19

9804277

FLANGE NUT,Hex, M8 x 1.25, Cl 8

1шт.

20

87016557

SELF-TAP SCREW,Hex, M8 x 1.25 x 25mm

1шт.

21

86637977

CLAMP,25.4mm, Coat, 8.7mm Bolt Hole, P Type

2шт.

22

9804257

FLANGE BOLT,Hex, M6 x 1.0 x 25mm, Cl 8.8, Full Thd

2шт.

23

9804276

FLANGE NUT,Hex, M6 x 1, Cl 8

5шт.

24

47832750

BRACKET

GCU Fuse Mount

1шт.

25

9804255

BOLT,Hex, M6 x 1 x 16mm, Full Thd, Cl 8.8

2шт.

26

9706703

CARRIAGE BOLT,Sht Sq Nk, M6 x 1 x 20mm, Cl 8.8, Full Thd

2шт.

27

84259663

CABLE TIE,228.6mm L, Nylon, Black

5шт.

28

47946329

DECAL

Fuse Box Layout, Mechanical

1шт.

29

L11541

CABLE TIE,203.2mm L, Nylon

1шт.

30

87015931

BOLT,Hvy Hex, M6 x 35mm, Cl 8.8

1шт.

31

82012869

CABLE TIE,300mm L, Nylon, Black

1шт.

32

86598598

CLAMP,19mm, Insulated, 13.5mm Bolt Hole - P Type

1шт.

33

47954072

WIRE HARNESS

Chassis, RH Tower

1шт.

34

84131374

MODULE

Prop Aux

1шт.

35

80707

WASHER,0.25" ID x 0.56" OD x 0.05" Thk

2шт.

36

87308282

SCREW,HWH, #10 - 32 x 3/4"

1шт.

37

86639241

NUT,Prev Torque, M5 x 0.8, Cl 8

1шт.

38

86637976

CLAMP,19mm, Coat, 8.7mm Bolt Hole, P Type

1шт.

39

86625199

SELF-TAP SCREW,Hex, M6 x 1 x 13mm

1шт.

40

84360212

CABLE TIE,294.2mm L, Nylon

22шт.

41

L18331

CABLE TIE,375.9mm L, Nylon, Black

2шт.

42

86637999

CLAMP,19mm, Coat, 11.9mm Bolt Hole, P Type

1шт.

43

263117

CABLE TIE,292.1mm L, Nylon, Black

3шт.

44

47955279

TAPE,150mm L

Double Sided

1шт.

Выбрано товаров: 44