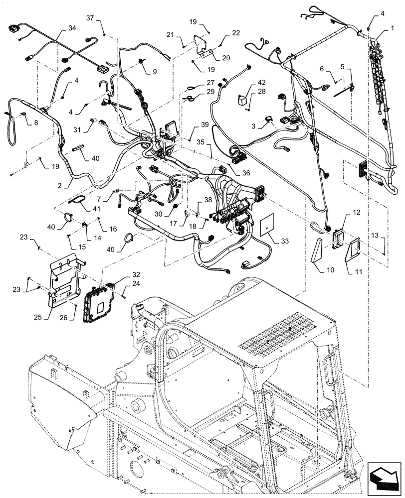
Запчасти Case TV380 (55.101.AC[03]) - WIRE HARNESS & CONNECTOR, ELECTRONIC CONTROLS (14-NOV-2016 & NEWER) (55) - ELECTRICAL SYSTEMS

Схема запчастей Case TV380 - (55.101.AC[03]) - WIRE HARNESS & CONNECTOR, ELECTRONIC CONTROLS (14-NOV-2016 & NEWER) (55) - ELECTRICAL SYSTEMS
36
16
19
27
29
4
34
40
12
21
13
15
1
40
26
35
24
9
39
20
3
22
42
5
33
30
14
11
37
40
4
41
31
23
18
19
25
17
19
23
38
7
32
4
10
8
28
2
6
FIT
1:1
100%

Артикул

Название

Примечание

Количество

1

47920677

WIRE HARNESS

Cab, EH

1шт.

2

47961506

WIRE HARNESS

Chassis, EH

1шт.

3

84251343

SWITCH

Rocker, Drive Pattern

1шт.

4

86511841

BOLT,Flng, M8 x 1.25 x 16mm, Full Thd, Cl 8.8

4шт.

5

84420746

CABLE TIE,403.9mm L, Nylon

10шт.

6

84420768

FASTENER,Pine Tree, 5/8" x 20.01mm

10шт.

7

87301490

CLAMP,12.7mm, Coat, 10.3mm Bolt Hole, J Type

1шт.

8

263117

CABLE TIE,292.1mm L, Nylon, Black

3шт.

9

82013031

CABLE TIE,193mm L

1шт.

10

47825018

FOAM INSULATION,172mm L x 27.9mm Thk

1шт.

11

47867182

Bulkhead Adapter, Gray

PLATE

1шт.

12

87718301

WIRE CONNECTOR,Flange

1шт.

13

47825034

SCREW,Pan Head, #10 - 14 x 5/8"

4шт.

14

84360210

BASE

Tie

1шт.

15

9804258

BOLT,Hex, M8 x 1.25 x 20mm, Cl 8.8

1шт.

16

9804277

FLANGE NUT,Hex, M8 x 1.25, Cl 8

1шт.

17

86637977

CLAMP,25.4mm, Coat, 8.7mm Bolt Hole, P Type

2шт.

18

9804257

FLANGE BOLT,Hex, M6 x 1.0 x 25mm, Cl 8.8, Full Thd

2шт.

19

9804276

FLANGE NUT,Hex, M6 x 1, Cl 8

5шт.

20

47832750

BRACKET

GCU Fuse Mounting

1шт.

21

9804255

BOLT,Hex, M6 x 1 x 16mm, Full Thd, Cl 8.8

2шт.

22

9706703

CARRIAGE BOLT,Sht Sq Nk, M6 x 1 x 20mm, Cl 8.8, Full Thd

2шт.

23

86625073

SPRING NUT,M6 x 1

10шт.

24

86511839

BOLT,Hvy Hex, M6 x 30mm, Cl 8.8

4шт.

25

47860657

BRACKET

UCM Support, Gray

1шт.

26

87682398

SCREW,Torx, Round HD, M6 x 16mm, Cl 10.9

4шт.

27

L11541

CABLE TIE,203.2mm L, Nylon

1шт.

28

87015931

BOLT,Hvy Hex, M6 x 35mm, Cl 8.8

1шт.

29

82012869

CABLE TIE,300mm L, Nylon, Black

1шт.

30

84259663

CABLE TIE,228.6mm L, Nylon, Black

1шт.

31

86598598

CLAMP,19mm, Insulated, 13.5mm Bolt Hole - P Type

1шт.

32

84267444

ECU

SSL

1шт.

33

47946330

DECAL

Fuse Box Layout, EH

1шт.

34

47954072

WIRE HARNESS

Chassis, RH Tower

1шт.

35

80707

WASHER,0.25" ID x 0.56" OD x 0.05" Thk

2шт.

36

87308282

SCREW,HWH, #10 - 32 x 3/4"

1шт.

37

86639241

NUT,Prev Torque, M5 x 0.8, Cl 8

1шт.

38

86637976

CLAMP,19mm, Coat, 8.7mm Bolt Hole, P Type

1шт.

39

86625199

SELF-TAP SCREW,Hex, M6 x 1 x 13mm

1шт.

40

84360212

CABLE TIE,294.2mm L, Nylon

27шт.

41

L18331

CABLE TIE,375.9mm L, Nylon, Black

2шт.

42

47932510

BRACKET

Relay Shield, Gray

1шт.

Выбрано товаров: 42