Запчасти Case TV380 (35.220.02[02]) - HIGH FLOW, GEAR PUMP (ALL CASE) (35) - HYDRAULIC SYSTEMS

Схема запчастей Case TV380 - (35.220.02[02]) - HIGH FLOW, GEAR PUMP (ALL CASE) (35) - HYDRAULIC SYSTEMS
35.357.ag 01
3
9
7
2
1
5
8
6
4
35.356.av
35.355.ah
FIT
1:1
100%

Артикул

Название

Примечание

Количество

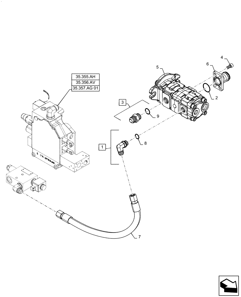
1

164910

90 ELBOW,7/8" - 14 JIC x 7/8" - 14 ORB

Incl 8

1шт.

2

274754

O-RING,0.139" Thk x 1.359" ID, -220, Cl 5, 75 Duro

1шт.

3

322896

HYD CONNECTOR,1-1/16" - 12 ORB x 1-1/16" - 12 JIC

Incl 9

1шт.

4

14307321

HEX SOC SCREW,M10 x 1.25 x 20mm, Full Thd, Cl 8.8

4шт.

5

84256249

PUMP,34.1 CC

1шт.

6

84269151

FITTING

Gear Pump Suction

1шт.

7

84329004

HOSE,15.88mm ID x 586mm L, SAE 100R17

1шт.

8

167269

O-RING,0.097" Thk x 0.755" ID, -910, Cl 6, 90 Duro

1шт.

9

167266

O-RING,0.116" Thk x 0.924" ID, -912, Cl 6, 90 Duro

1шт.

Выбрано товаров: 9