Запчасти Case 221B (2-14) - CYLINDER BLOCK, 121B (DAH1215912-) / 221B (DAH2215913-) (02) - ENGINE

Схема запчастей Case 221B - (2-14) - CYLINDER BLOCK, 121B (DAH1215912-) / 221B (DAH2215913-) (02) - ENGINE
5
8
7
11
3
9
6
2
4
1
FIT
1:1
100%

Артикул

Название

Примечание

Количество

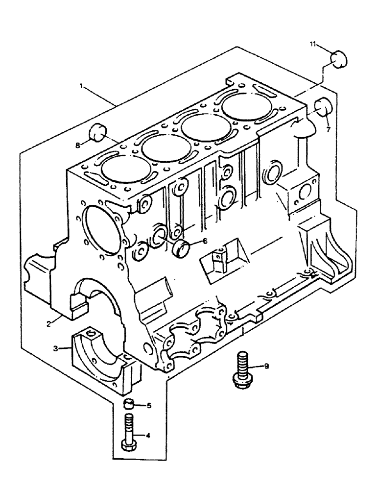
1

217766A1

CYLINDER BLOCK

Consists Of : 2-8

1шт.

2

NSS

NOT SOLD SEPARAT

BLOCK

1шт.

3

NSS

NOT SOLD SEPARAT

CLAMP

5шт.

4

217767A1

SCREW

10шт.

5

217768A1

BUSHING

SLEEVE

10шт.

6

217769A1

PLUG

3шт.

7

217769A1

PLUG

1шт.

8

217769A1

PLUG

4шт.

9

217770A1

SCREW

4шт.

11

217771A1

PLUG

1шт.

Выбрано товаров: 10