Запчасти Case 221B (2-18) - CYLINDER HEAD, 121B (DAH1215912-) / 221B (DAH2215913-) (02) - ENGINE

Схема запчастей Case 221B - (2-18) - CYLINDER HEAD, 121B (DAH1215912-) / 221B (DAH2215913-) (02) - ENGINE
19
22
8
12
5
31
28
13
9
10
21
17
16
20
4
23
6
2
26
29
15
3
25
30
14
24
18
27
7
11
FIT
1:1
100%

Артикул

Название

Примечание

Количество

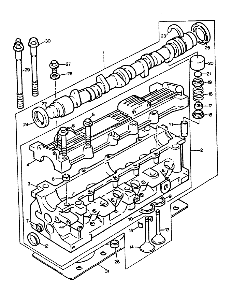
1

217840A1

HEAD (CYLINDER)

Consists Of : 2-25

1шт.

2

217841A1

HEAD (CYLINDER)

Consists Of : 3-12

1шт.

3

NSS

NOT SOLD SEPARAT

HEAD cylinder

1шт.

4

NSS

NOT SOLD SEPARAT

PLATE cover

1шт.

5

217842A1

SCREW

7шт.

6

217843A1

SCREW

4шт.

7

217844A1

PLUG

2шт.

8

217845A1

BUSHING

SLEEVE

2шт.

9

217846A1

BUSHING

SEAT

4шт.

10

217847A1

BUSHING

SEAT

4шт.

11

217848A1

PIN

GUIDE

8шт.

12

217849A1

PLUG

4шт.

13

217850A1

VALVE, ENG EXHAUST,

VALVE EXHAUST

4шт.

14

217851A1

VALVE,ENGINE,INLET,S

VALVE INTAKE

4шт.

15

217852A1

BUCKET TOOTH KEY

COUPLING half

16шт.

16

217853A1

SPRING

8шт.

17

217798A1

GASKET

8шт.

18

217854A1

WASHER

8шт.

19

217855A1

CAP

COVER

8шт.

20

217856A1

TAPPET

ROD push

8шт.

21

217857A1

SHIM

WEDGE adjusting, 3.400 mm

1шт.

21

217858A1

SHIM

WEDGE adjusting, 3.375 mm

1шт.

21

217859A1

SHIM

WEDGE adjusting, 3.350 mm

1шт.

21

217860A1

SHIM

WEDGE adjusting, 3.325 mm

1шт.

21

217861A1

SHIM

WEDGE adjusting, 3.302 mm

1шт.

21

217862A1

SHIM

WEDGE adjusting, 3.277 mm

1шт.

21

217863A1

SHIM

WEDGE adjusting, 3.251 mm

1шт.

21

217864A1

SHIM

WEDGE adjusting, 3.226 mm

1шт.

21

217865A1

SHIM

WEDGE adjusting, 3.200 mm

1шт.

21

217866A1

SHIM

WEDGE adjusting, 3.175 mm

1шт.

21

217867A1

SHIM

WEDGE adjusting, 3.150 mm

1шт.

21

217868A1

SHIM

WEDGE adjusting, 3.124 mm

1шт.

21

217869A1

SHIM

WEDGE adjusting, 3.099 mm

1шт.

21

217870A1

SHIM

WEDGE adjusting, 3.073 mm

1шт.

21

217871A1

SHIM

WEDGE adjusting, 3.048 mm

1шт.

21

217872A1

SHIM

WEDGE adjusting, 3.023 mm

1шт.

21

217873A1

SHIM

WEDGE adjusting, 2.997 mm

1шт.

21

217874A1

SHIM

WEDGE adjusting, 2.972 mm

1шт.

21

217875A1

SHIM

WEDGE adjusting, 2.946 mm

1шт.

21

217876A1

SHIM

WEDGE adjusting, 2.921 mm

1шт.

21

217877A1

SHIM

WEDGE adjusting, 2.896 mm

1шт.

21

217878A1

SHIM

WEDGE adjusting, 2.870 mm

1шт.

21

217879A1

SHIM

WEDGE adjusting, 2.845 mm

1шт.

21

217880A1

SHIM

WEDGE adjusting, 2.819 mm

1шт.

21

217881A1

SHIM

WEDGE adjusting, 2.794 mm

1шт.

21

217882A1

SHIM

WEDGE adjusting, 2.769 mm

1шт.

21

217883A1

SHIM

WEDGE adjusting, 2.743 mm

1шт.

21

217884A1

SHIM

WEDGE adjusting, 2.718 mm

1шт.

21

217885A1

SHIM

WEDGE adjusting, 2.692 mm

1шт.

21

217886A1

SHIM

WEDGE adjusting, 2.667 mm

1шт.

21

217887A1

SHIM

WEDGE adjusting, 2.642 mm

1шт.

21

217888A1

SHIM

WEDGE adjusting, 2.616 mm

1шт.

21

217889A1

SHIM

WEDGE adjusting, 2.591 mm

1шт.

21

217890A1

SHIM

WEDGE adjusting, 2.565 mm

1шт.

21

217891A1

SHIM

WEDGE adjusting, 2.540 mm

1шт.

21

217892A1

SHIM

WEDGE adjusting, 2.515 mm

1шт.

21

217893A1

SHIM

WEDGE adjusting, 2.489 mm

1шт.

21

217894A1

SHIM

WEDGE adjusting, 2.464 mm

1шт.

21

217895A1

SHIM

WEDGE adjusting, 2.438 mm

1шт.

21

217896A1

SHIM

WEDGE adjusting, 2.413 mm

1шт.

21

217897A1

SHIM

WEDGE adjusting, 2.388 mm

1шт.

21

217898A1

SHIM

WEDGE adjusting, 2.362 mm

1шт.

21

217899A1

SHIM

WEDGE adjusting, 2.337 mm

1шт.

21

217900A1

SHIM

WEDGE adjusting, 2.311 mm

1шт.

21

217901A1

SHIM

WEDGE adjusting, 2.286 mm

1шт.

22

217902A1

CAMSHAFT

1шт.

23

217903A1

BUCKET TOOTH KEY

1шт.

24

217800A1

GASKET

1шт.

25

217803A1

GASKET

1шт.

26

217904A1

SPECIAL NUT

SLEEVE

2шт.

27

217905A1

SCREW

1шт.

28

217906A1

WASHER

1шт.

29

217907A1

SCREW

4шт.

30

217908A1

SCREW

6шт.

31

217774A1

GASKET

HEAD cylinder

1шт.

Выбрано товаров: 75