Запчасти Case 221B (2-24) - LUBRICATING OIL PUMP, 121B (DAH1215912-) / 221B (DAH2215913-) (02) - ENGINE

Схема запчастей Case 221B - (2-24) - LUBRICATING OIL PUMP, 121B (DAH1215912-) / 221B (DAH2215913-) (02) - ENGINE
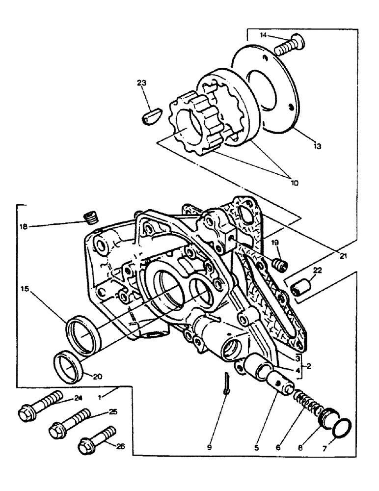
23
19
7
20
14
15
13
22
10
9
25
6
4
18
5
21
2
8
26
24
1
3
FIT
1:1
100%

Артикул

Название

Примечание

Количество

1

217920A1

PUMP, ENGINE OIL

Consists Of : 2-20

1шт.

2

217921A1

HOUSING

Consists Of : 3, 4

1шт.

3

NSS

NOT SOLD SEPARAT

HOUSING

1шт.

4

NSS

NOT SOLD SEPARAT

SLEEVE

1шт.

5

217922A1

PLUNGER

1шт.

6

217923A1

SPRING

1шт.

7

217796A1

O-RING

1шт.

8

217924A1

PLUG

1шт.

9

217925A1

COTTER PIN

split

1шт.

10

NSS

NOT SOLD SEPARAT

ROTOR

1шт.

13

217926A1

LARGE PLATE

PLATE, LARGE

1шт.

14

217927A1

SCREW

4шт.

15

217802A1

GASKET

1шт.

18

217928A1

PLUG

1шт.

19

217928A1

PLUG

1шт.

20

217929A1

PLUG

1шт.

21

217777A1

GASKET

1шт.

22

217930A1

DOWEL

1шт.

23

217931A1

BUCKET TOOTH KEY

1шт.

24

217932A1

SCREW

7шт.

25

217933A1

SCREW

1шт.

26

217934A1

SCREW

1шт.

Выбрано товаров: 22