Запчасти Case 221B (2-40) - WATER PUMP AND THERMOSTAT, 121B (DAH1215912-) / 221B (DAH2215913-) (02) - ENGINE

Схема запчастей Case 221B - (2-40) - WATER PUMP AND THERMOSTAT, 121B (DAH1215912-) / 221B (DAH2215913-) (02) - ENGINE
33
22
31
20
3
24
21
26
38
11
27
12
42
29
13
32
8
35
23
5
30
1
41
39
9
19
28
6
10
4
2
34
7
25
FIT
1:1
100%

Артикул

Название

Примечание

Количество

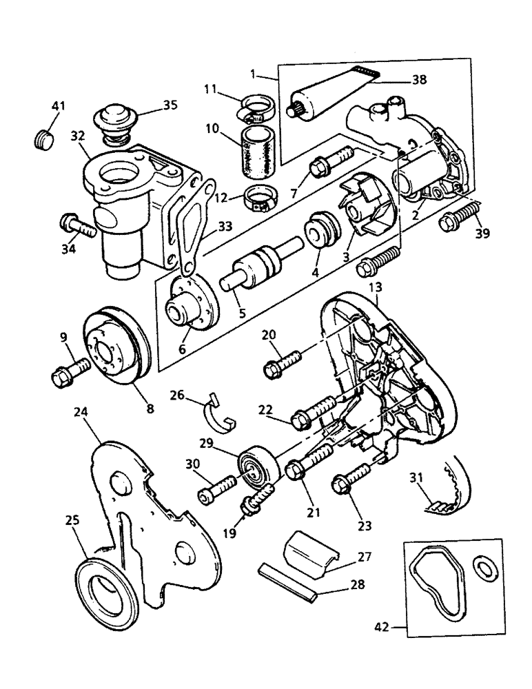
1

218020A1

PUMP, WATER

Consists Of : 2-6, 38

1шт.

2

NSS

NOT SOLD SEPARAT

BODY

1шт.

3

NSS

NOT SOLD SEPARAT

TURBINE

1шт.

4

NSS

NOT SOLD SEPARAT

SEAL

1шт.

5

NSS

NOT SOLD SEPARAT

BEARING

1шт.

6

NSS

NOT SOLD SEPARAT

HUB

1шт.

7

218021A1

SCREW

1шт.

8

218022A1

PULLEY

1шт.

9

218023A1

SCREW

4шт.

10

218024A1

HOSE

1шт.

11

218025A1

CLAMP

COLLAR

1шт.

12

218025A1

CLAMP

COLLAR

1шт.

13

218026A1

HOUSING

BODY, Consists Of : 26

1шт.

19

218027A1

SCREW

1шт.

20

218027A1

SCREW

1шт.

21

218028A1

SCREW

1шт.

22

218027A1

SCREW

3шт.

23

218027A1

SCREW

3шт.

24

218029A1

COVER

PLATE

1шт.

25

218030A1

SEAL

1шт.

26

218031A1

CIRCLIP

12шт.

27

218032A1

FLAP

PLATE cover

1шт.

28

218033A1

SEAL

1шт.

29

218034A1

SHIFTER ROLLER

TENSIONER

1шт.

30

218035A1

SCREW

1шт.

31

218036A1

BELT

1шт.

32

218037A1

HOUSING

1шт.

33

217783A1

GASKET

1шт.

34

218038A1

SCREW

2шт.

35

218039A1

THERMOSTAT

1шт.

38

218040A1

SEAL

1шт.

39

217919A1

SCREW,Hex Flg, M10 x 25mm

4шт.

40

218041A1

SCREW

1шт.

41

218042A1

PLUG

1шт.

42

218043A1

SEAL

1шт.

Выбрано товаров: 35