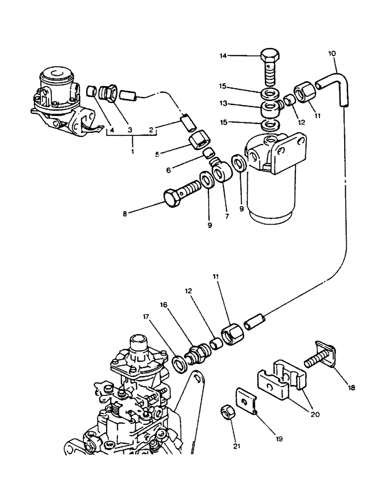
Запчасти Case 221B (3-10) - FUEL SYSTEM, 121B (DAH1215912-) / 221B (DAH2215913-) (03) - FUEL SYSTEM

Схема запчастей Case 221B - (3-10) - FUEL SYSTEM, 121B (DAH1215912-) / 221B (DAH2215913-) (03) - FUEL SYSTEM
19
7
4
9
11
13
5
21
3
9
15
11
8
17
10
18
12
14
20
15
12
1
6
16
2
FIT
1:1
100%

Артикул

Название

Примечание

Количество

1

218088A1

PIPE

Consists Of : 2, 3, and 4

1шт.

2

NSS

NOT SOLD SEPARAT

PIPE

1шт.

3

218089A1

NUT

1шт.

4

217792A1

SEAL

1шт.

5

218090A1

NUT

1шт.

6

217792A1

SEAL

1шт.

7

218091A1

FITTING

1шт.

8

218094A1

JACK SCREW

female

1шт.

9

217967A1

SEAL

2шт.

10

218189A1

PIPE

1шт.

11

218090A1

NUT

2шт.

12

217792A1

SEAL

BUSHING

2шт.

13

218091A1

FITTING

1шт.

14

218094A1

JACK SCREW

female

1шт.

15

217967A1

SEAL

2шт.

16

218190A1

FITTING

1шт.

17

218097A1

SEAL

1шт.

18

218191A1

SCREW

CLAMP

1шт.

19

218192A1

WASHER

CLAMP

1шт.

20

218193A1

FIXING BRACKET

CLAMP

2шт.

21

218194A1

NUT

1шт.

Выбрано товаров: 21