Запчасти Case 221B (8-35A) - HIGH PRESSURE PUMP - ROTOR, 121B DAH1216844- / 221B DAH2216859- (08) - HYDRAULICS

Схема запчастей Case 221B - (8-35A) - HIGH PRESSURE PUMP - ROTOR, 121B DAH1216844- / 221B DAH2216859- (08) - HYDRAULICS
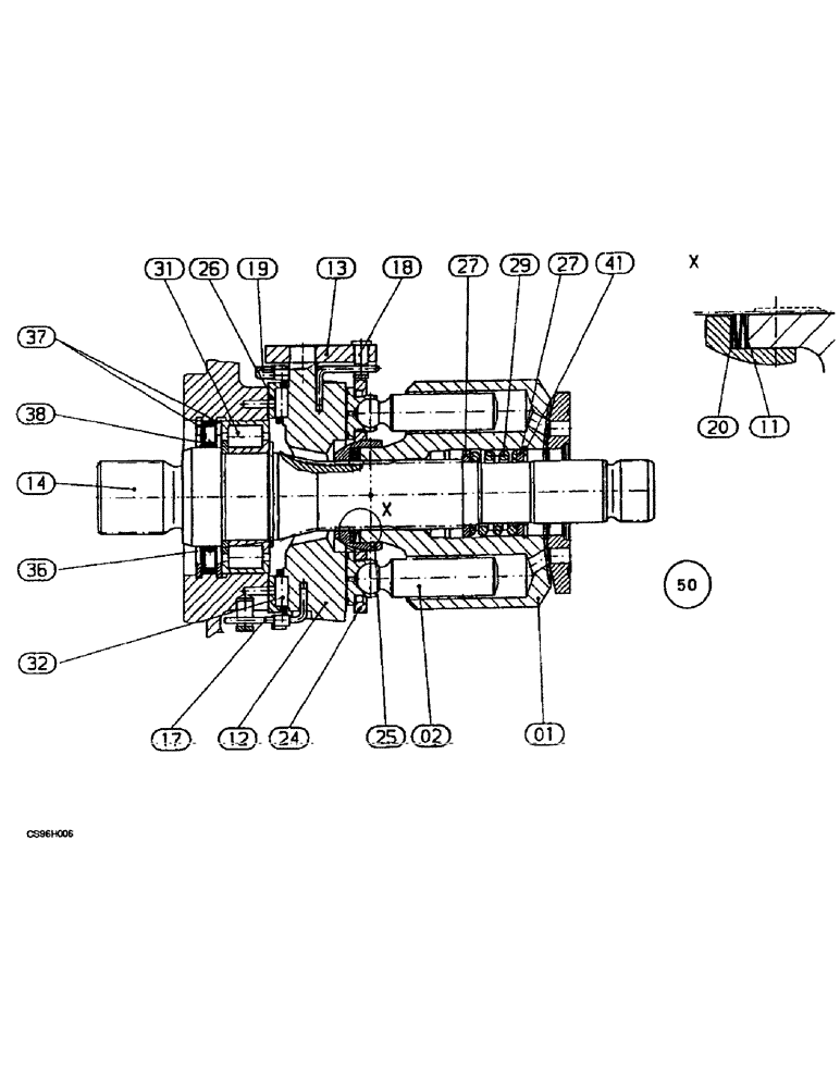
31
41
20
17
29
26
14
32
02
38
27
36
13
19
12
18
01
50
11
25
37
24
27
FIT
1:1
100%

Артикул

Название

Примечание

Количество

1

219665A1

LOCK, CYLINDER

LOCK-CYLINDER

1шт.

2

219666A1

SET

PISTON

9шт.

11

219667A1

SET OF PARTS

1шт.

12

219668A1

CRADLE

1шт.

13

219669A1

SHIFTER ROLLER

IRON flat

1шт.

14

219670A1

SHAFT

1шт.

17

215998A1

STEM

WIRE

1шт.

18

219671A1

PIN

1шт.

19

219672A1

DOWEL

PIN

1шт.

20

216000A1

SHIM

SHIM

1шт.

24

219673A1

LARGE PLATE

PLATE, LARGE

1шт.

25

219674A1

BALL JOINT

1шт.

26

219675A1

SHIN

RACE ball

1шт.

27

219676A1

BLOCK

SHIM

2шт.

29

219677A1

SPRING

1шт.

31

219678A1

BEARING

1шт.

32

219679A1

BEARING

1шт.

36

215708A1

RING, SNAP

RING SNAP

1шт.

37

219680A1

CIRCLIP

2шт.

38

219681A1

O-RING

1шт.

41

219682A1

CIRCLIP

1шт.

50

219656A1

ROTOR

1шт.

Выбрано товаров: 22