Запчасти Case 21D (34.010[2987272000]) - CAB INSTALLATION (50) - CAB CLIMATE CONTROL

Схема запчастей Case 21D - (34.010[2987272000]) - CAB INSTALLATION (50) - CAB CLIMATE CONTROL
7
8
4
8
4
4
4
6
6
5
FIT
1:1
100%

Артикул

Название

Примечание

Количество

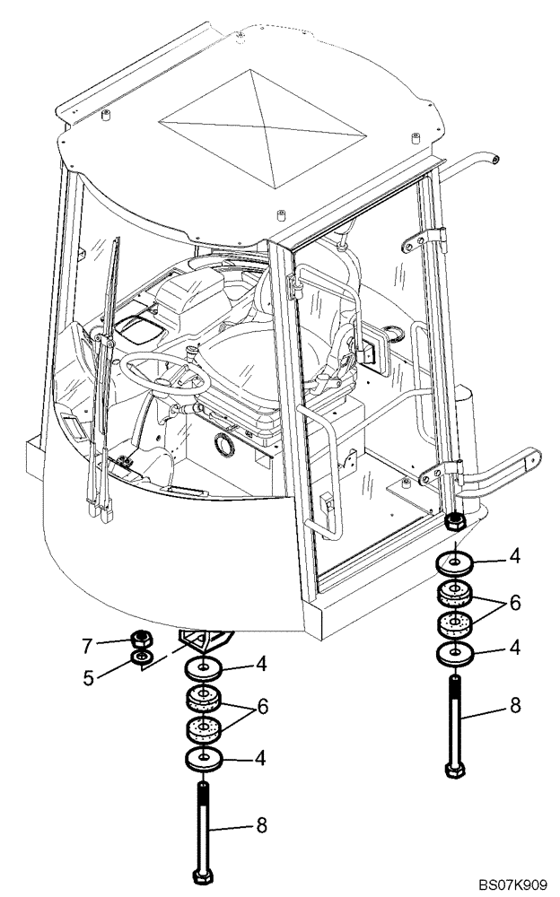
4

4550166

WASHER

Replaces 420852A1

4шт.

5

2974088

WASHER,17mm ID x 40mm OD x 6mm Thk

2шт.

6

2928828

ISOLATOR

Replaces 423554A1

4шт.

7

987230

NUT,M16, Cl 10

Replaces 829-1416

2шт.

8

260167

BOLT,Hex, M16 x 110mm, Cl 10.9

Replaces 423380A1

4шт.

Выбрано товаров: 5