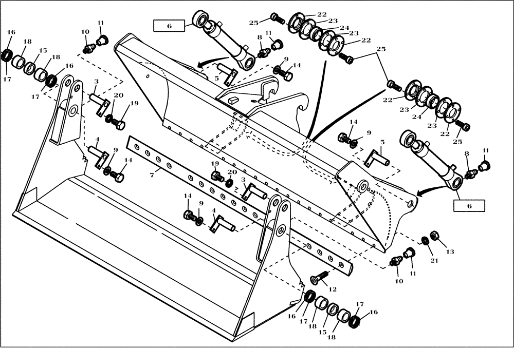
Запчасти Case 21D (64.015[2989522000]) - CLAMSHELL ASSEMBLY PARTS (82) - FRONT LOADER & BUCKET

Схема запчастей Case 21D - (64.015[2989522000]) - CLAMSHELL ASSEMBLY PARTS (82) - FRONT LOADER & BUCKET
14
23
18
16
15
25
23
8
6
6
4
16
23
17
3
3
14
18
10
22
16
13
23
5
9
24
10
18
19
11
22
9
15
22
14
9
22
14
20
11
12
18
25
17
11
25
8
16
5
11
21
17
20
7
4
9
24
19
17
FIT
1:1
100%

Артикул

Название

Примечание

Количество

3

2182488

PIN

Replaces 421474A1

2шт.

4

1585665

PIN

Replaces 421475A1

2шт.

5

2182489

PIN

Replaces 421477A1

2шт.

6

1751468

HYDRAULIC CYLINDER,Double Acting, 40mm Rod, 210mm Stroke

Dump, See Fig 24.062

2шт.

7

2438977

CUTTING EDGE

70 x 1876, Replaces 421495A1

1шт.

8

8412011

LUBE NIPPLE

8 x 1, Replaces 420268A1

2шт.

9

530811

WASHER

Replaces 420197A1

4шт.

10

10528

LUBE NIPPLE

10 x 1-5.8, Replaces 933781R1

2шт.

11

118981

CAP

Replaces 420886A1

8шт.

12

515298

SCREW,Hex Soc Flat Hd, M10 x 35, 8.8

Replaces 421496A1

14шт.

13

100016

NUT,M10 x 1.5, Cl 8

14шт.

14

300383

BOLT,Hex, M10 x 1.5 x 16mm, Cl 8.8, Full Thd

4шт.

15

1180589

SLEEVE

Replaces 421498A1

2шт.

16

1180063

RING

Replaces 421499A1

4шт.

17

1175728

KIT

Replaces 420924A1

4шт.

18

33454

BUSHING

50 x 36, Replaces 421500A1

4шт.

19

63310

BOLT,Hex, M12 x 20mm, Cl 8.8, Full Thd

Replaces 614-12020

2шт.

20

2976540

LOCK WASHER

2шт.

21

63667

LOCK WASHER

Replaces 892-11010

14шт.

22

2438607

COVER

Replaces 421313A1

4шт.

23

2438608

WASHER

Replaces 421317A1

4шт.

24

2977586

SPHERICAL BEARING

2шт.

25

2186417

SCREW

Cyl. Head M8 x 16, 8.8, Replaces 421314A1

12шт.

Выбрано товаров: 23