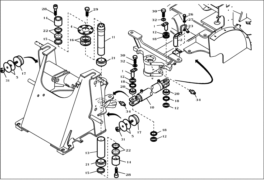
Запчасти Case 221D (01.450[2987275000]) - ARTICULATED JOINT (39) - FRAMES AND BALLASTING

Схема запчастей Case 221D - (01.450[2987275000]) - ARTICULATED JOINT (39) - FRAMES AND BALLASTING
18
32
23
13
31
17
20
18
17
18
11
15
30
21
18
12
12
34
28
32
29
14
10
12
20
12
21
34
1
1
22
5
31
26
28
16
30
2
5
22
4
27
14
15
FIT
1:1
100%

Артикул

Название

Примечание

Количество

1

512166

PIN,6.35mm OD x 22.23mm L

Replaces 422125A1

2шт.

2

4550217

PIN,45mm OD

Replaces 420229A1

1шт.

4

1710003

COVER

180 x 14 mm, Replaces 421649A1

1шт.

5

2212786

WASHER,17mm ID x 86mm OD x 2mm Thk

Replaces 420231A1

4шт.

10

4532257

STEERING CYLINDER

See Fig 24.122

1шт.

11

1710002

ROLL PIN

Replaces 421650A1

1шт.

12

4552174

WASHER

4шт.

13

1710014

SLEEVE,80.2mm ID x 96.5mm OD x 179mm L

Replaces 421651A1

1шт.

14

1710013

PIN

Lid 90 x 30 mm, Replaces 421652A1

2шт.

15

1710015

RING

Replaces 421653A1

2шт.

16

1710004

WASHER

Replaces 421654A1

2шт.

17

2929663

BUMPER

Limit

2шт.

18

750585

GASKET

4шт.

20

2929701

SPHERICAL BEARING,25mm ID x 42mm OD x 20mm W

2шт.

21

306270

SPHERICAL BEARING

Replaces 421655A1

2шт.

22

215196

CLAMP

80 x 91 mm, Replaces 421656A1

4шт.

23

2900981

RETAINER

Replaces 420265A1

1шт.

26

2975136

SCREW,Hex, M4 x 0.7 x 12mm, Cl 8.8

2шт.

27

56982

WASHER

Replaces 3233254R1

2шт.

28

14422231

HEX SOC SCREW,M12 x 1.75 x 40mm, Cl 10.9, Full Thd

Replaces 264227

16шт.

29

9706687

BOLT,M12 x 1.75 x 30mm, Cl 8.8

6шт.

30

300383

BOLT,Hex, M10 x 1.5 x 16mm, Cl 8.8, Full Thd

2шт.

31

100020

NUT,M16 x 2.0, Cl 8

2шт.

32

530811

WASHER

Replaces 420197A1

2шт.

34

2973067

LUBE NIPPLE

Replaces 420268A1

2шт.

Выбрано товаров: 0