Запчасти Case 221D (13.300[2987269004]) - FUEL SYSTEM (10) - ENGINE

Схема запчастей Case 221D - (13.300[2987269004]) - FUEL SYSTEM (10) - ENGINE
2
10
15
7
31
201
1
24
20
42
202
42
16
3
12
12
30
16
51
22
8
13
50
21
3
40
422
23
43
15
30
30
40
30
43
17
30
12
202
30
FIT
1:1
100%

Артикул

Название

Примечание

Количество

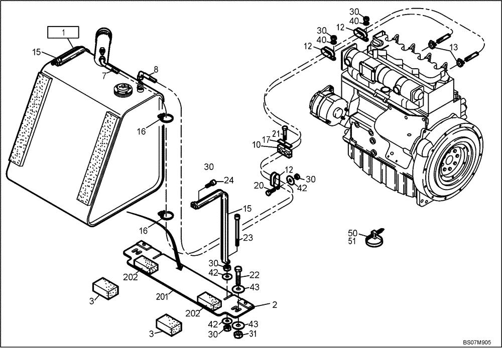
1

Fuel Tank (4552043), See Fig 10.202

1шт.

2

2813930

CROSSMEMBER

Incl. 201, 202

1шт.

3

4552139

RUBBER PAD

30 x 45 x 70 mm

2шт.

4

1499394

FILTER

1шт.

7

2813852

HYDRAULIC HOSE,M6 x 5000

1шт.

8

2813952

HYDRAULIC HOSE

M8 x 4200

1шт.

10

971587

CLAMP

Replaces 421506A1

2шт.

12

925818

HOSE CLIP

Replaces 420731A1

3шт.

13

214-1704

HOSE CLAMP,#04, 0.25" - 0.62", Type M Worm

2шт.

14

925895

CLIP

Replaces 420495A1

2шт.

15

1940771

SECURING STRAP

Replaces 421783A1

2шт.

16

2700785

CABLE TIE

CABLE STRAP

2шт.

17

773187

PLATE

Replaces 420751A1

1шт.

20

16043224

BOLT,Hex, M8 x 16mm, Cl 8.8

Replaces 614-8016

1шт.

21

412479

BOLT,Hex, M8 x 1.25 x 35mm, Cl 8.8

Replaces 814-8035

1шт.

22

614-12040

BOLT,Hex, M12 x 1.75 x 40mm, Cl 8.8, Full Thd

2шт.

23

305064

SCREW

M8 x 110, 8.8

2шт.

24

2977406

SCREW

M8 x 25, 8.8

2шт.

30

43362

NUT,M8 x 1.25, Cl 10

11шт.

31

825-1412

NUT,M12, Cl 8

2шт.

40

2975165

WASHER

M8

2шт.

41

895-25006

WASHER,6.6mm ID x 18mm OD x 1.6mm Thk

2шт.

42

62543

WASHER

Replaces 420222A1

5шт.

43

8408999

WASHER

Replaces 422293A1

4шт.

50

726789

CABLE TIE,M4.8 x 188

CABLE STRAP Replaces L11541

10шт.

51

726789

CABLE TIE,M4.8 x 188

CABLE STRAP

1шт.

201

2813931

CROSSMEMBER

1шт.

202

2928941

RUBBER PAD

Replaces 423887A1

2шт.

Выбрано товаров: 28