Запчасти Case 221D (20.540[001]) - HYDRAULIC SYSTEM BRAKE CHARGING (S/N 581101-UP) (33) - BRAKES & CONTROLS

Схема запчастей Case 221D - (20.540[001]) - HYDRAULIC SYSTEM BRAKE CHARGING (S/N 581101-UP) (33) - BRAKES & CONTROLS
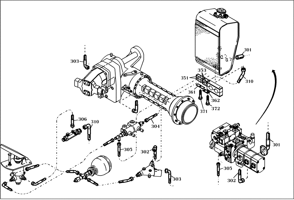
301
353
362
24
302
305
310
310
304
371
2
361
306
z
303
301
1
u
302
372
305
303
21
1
51
351
5
FIT
1:1
100%

Артикул

Название

Примечание

Количество

301

421807A1

HOSE

1шт.

302

423631A1

HOSE

1шт.

303

421809A1

HOSE

1шт.

304

420957A1

HOSE

1шт.

305

420958A1

HOSE

1шт.

306

420959A1

HOSE

1шт.

310

421810A1

HOSE

1шт.

351

420964A1

HOSE CLAMP

1шт.

353

420940A1

CLAMP

1шт.

361

420900A1

PLATE

1шт.

362

420945A1

PLATE WASHER

1шт.

371

814-8045

BOLT,Hex, M8 x 1.25 x 45mm, Cl 8.8

1шт.

372

827-6045

BOLT,Hex, M6 x 45mm, Cl 10.9

2шт.

Выбрано товаров: 13