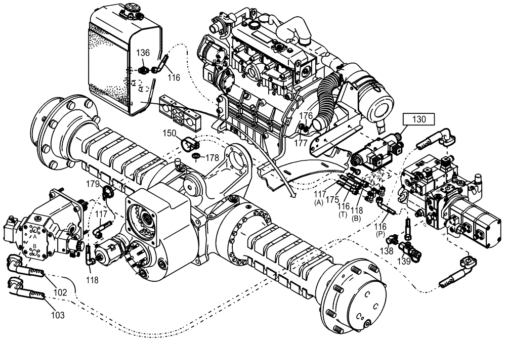
Запчасти Case 221D (20.100[002]) - HYDRAULIC SYSTEM DRIVING FAST GEAR (OPTION) (S/N 581101-UP) (35) - HYDRAULIC SYSTEMS

Схема запчастей Case 221D - (20.100[002]) - HYDRAULIC SYSTEM DRIVING FAST GEAR (OPTION) (S/N 581101-UP) (35) - HYDRAULIC SYSTEMS
116
116
b
a
103
130
b
118
138
116
(p)
117
136
179
b
118
102
(t)
a
117
150
178
177
176
175
a
(b)
p
139
t
g
(a)
FIT
1:1
100%

Артикул

Название

Примечание

Количество

102

424068A1

HOSE

1шт.

103

424069A1

HOSE

1шт.

116

424071A1

HOSE

2шт.

117

4550869

HOSE

1шт.

118

4550870

HOSE

1шт.

130

NS

NOT SERVICED

SEE FIGURE 23.211/001

1шт.

136

424081A1

HYD CONNECTOR

1шт.

138

420469A1

ELBOW

1шт.

139

420717A1

TEE

1шт.

150

424321A1

COLLAR

1шт.

175

614-8020

BOLT,Hex, M8 x 1.25 x 20mm

2шт.

176

895-15008

WASHER,9mm ID x 20mm OD x 1.6mm Thk

2шт.

177

832-10408

NUT,M8 x 1.25, Cl 8.8

2шт.

178

895-25006

WASHER,6.6mm ID x 18mm OD x 1.6mm Thk

1шт.

179

421076A1

CABLE TIE

CABLE STRAP

2шт.

Выбрано товаров: 0