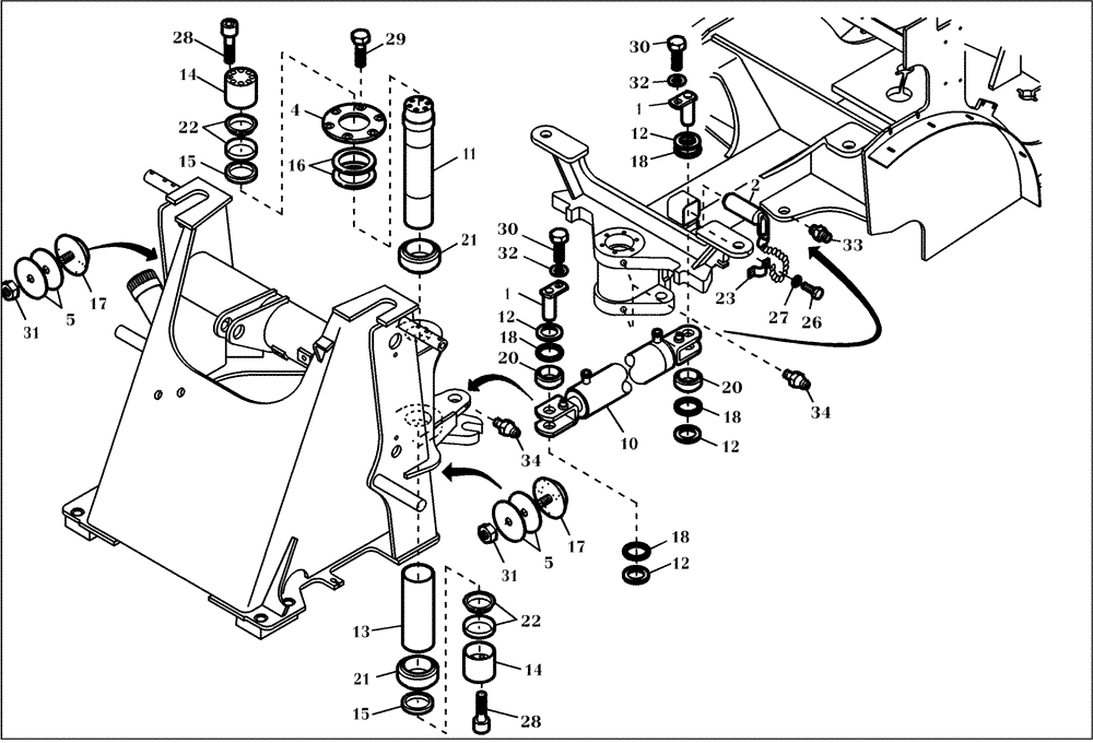
Запчасти Case 221D (01.450[001]) - JOINT PARTS FRAME (S/N 581101-UP) (39) - FRAMES AND BALLASTING

Схема запчастей Case 221D - (01.450[001]) - JOINT PARTS FRAME (S/N 581101-UP) (39) - FRAMES AND BALLASTING
1
31
33
14
15
16
32
13
10
18
1
32
12
20
17
31
21
2
18
5
22
18
30
14
34
18
30
28
26
29
12
17
28
22
5
34
23
12
12
11
15
21
27
20
4
FIT
1:1
100%

Артикул

Название

Примечание

Количество

1

420228A1

PIN

2шт.

2

420229A1

PIN

1шт.

4

421649A1

COVER

1шт.

5

420231A1

WASHER

4шт.

10

NS

NOT SERVICED

SEE FIGURE 24.122/001

1шт.

10

NS

NOT SERVICED

SEE FIGURE 24.122/002

1шт.

11

421650A1

PIN

1шт.

12

420255A1

WASHER

4шт.

13

421651A1

SLEEVE

1шт.

14

421652A1

CAP

2шт.

15

421653A1

RING

2шт.

16

421654A1

WASHER

2шт.

17

420260A1

BUMPER

2шт.

18

420261A1

SEALING RING

4шт.

20

420262A1

BALL BEARING

2шт.

21

421655A1

BALL BEARING

2шт.

22

421656A1

CLAMP

4шт.

23

420265A1

RETAINER

1шт.

26

614-4012

BOLT,Hex, M4 x 0.7 x 12mm, Cl 8.8, Full Thd

2шт.

27

3233254R1

WASHER,M4.3 ID x 9 OD x .8 Thk

2шт.

28

420266A1

SCREW

16шт.

29

614-12030

BOLT,Hex, M12 x 1.75 x 30mm, Cl 8.8, Full Thd

6шт.

30

614-10016

BOLT,Hex, M10 x 1.5 x 16mm, Cl 8.8, Full Thd

2шт.

31

825-1416

NUT,M16, Cl 8

2шт.

32

420197A1

WASHER

2шт.

33

420267A1

HYD CONNECTOR

1шт.

34

420268A1

LUBE NIPPLE

3шт.

Выбрано товаров: 27