Запчасти Case 221D (13.300[002]) - FUEL SYSTEM (S/N 581202-UP) (10) - ENGINE

Схема запчастей Case 221D - (13.300[002]) - FUEL SYSTEM (S/N 581202-UP) (10) - ENGINE
17
21
17
4
19
14
10
23
12
21
15
17
27
18
18
16
22
26
17
20
19
27
5
3
12
18
25
15
7
8
18
4
9
29
7
1
FIT
1:1
100%

Артикул

Название

Примечание

Количество

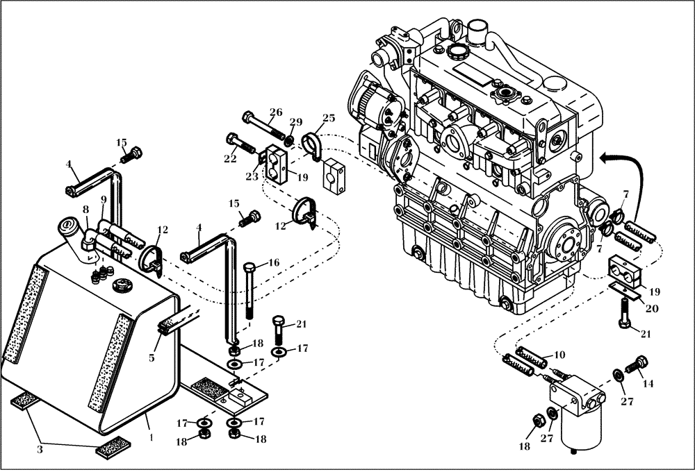
1

NS

NOT SERVICED

SEE FIGURE 10.201/001

1шт.

3

423887A1

PLATE

2шт.

4

421783A1

COUPLING FLANGE

2шт.

5

420745A1

PROFILE

1шт.

6

421784A1

HOSE

1шт.

7

3220459R1

CLAMP,M60-80, Worm

2шт.

8

421785A1

HOSE

1шт.

9

421786A1

HOSE

1шт.

10

421787A1

HOSE

1шт.

12

L11541

CABLE TIE,203.2mm L, Nylon

CABLE STRAP

10шт.

14

614-8030

BOLT,Hex, M8 x 1.25 x 30mm, Cl 8.8, Full Thd

2шт.

15

864-8020

HEX SOC SCREW,M8 x 20mm, Cl 8.8

2шт.

16

424248A1

2шт.

17

420217A1

WASHER

4шт.

18

43362

NUT,M8 x 1.25, Cl 10

6шт.

19

420750A1

CLIP

2шт.

20

420751A1

PLATE

1шт.

21

814-8035

BOLT,Hex, M8 x 1.25 x 35mm, Cl 8.8

1шт.

22

420752A1

SCREW

1шт.

23

420753A1

CLAMP

1шт.

25

420754A1

HOSE CLAMP

1шт.

26

814-10075

BOLT,Hex, M10 x 1.5 x 75mm, Cl 8.8

1шт.

27

895-15008

WASHER,9mm ID x 20mm OD x 1.6mm Thk

4шт.

29

895-15010

WASHER,11mm ID x 24mm OD x 2mm Thk

2шт.

Выбрано товаров: 24