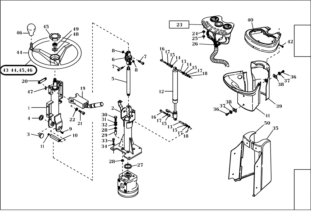
Запчасти Case 221D (34.130[001]) - CONTROL COLUMN INSTALLATION (OPTION) (S/N 581101-UP) (90) - PLATFORM, CAB, BODYWORK AND DECALS

Схема запчастей Case 221D - (34.130[001]) - CONTROL COLUMN INSTALLATION (OPTION) (S/N 581101-UP) (90) - PLATFORM, CAB, BODYWORK AND DECALS
26
22
14
37
14
11
18
28
6
15
38
2
15
35
50
13
5
36
40
8
32
10
7
48
37
47
3
19
41
15
25
36
21
42
12
17
9
20
31
33
46
17
16
39
17
17
13
45
4
7
15
24
44
49
18
1
16
27
34
23
38
29
30
28
8
FIT
1:1
100%

Артикул

Название

Примечание

Количество

1

423179A1

STEERING COLUMN

1шт.

2

423180A1

STEERING COLUMN

1шт.

3

423034A1

PIN

1шт.

4

423035A1

WASHER

1шт.

5

423036A1

AXLE PIN

1шт.

6

423037A1

UNIVERSAL JOINT

1шт.

7

423038A1

SCREW

2шт.

8

423039A1

NUT

2шт.

9

423040A1

PIN

1шт.

10

423041A1

HOLDER

1шт.

11

423042A1

SAFETY NUT

1шт.

12

423043A1

GAS STRUT

1шт.

13

423044A1

PIN

2шт.

14

422908A1

WASHER

2шт.

15

423045A1

SPACER

4шт.

16

423046A1

SCREW

2шт.

17

423047A1

WASHER

4шт.

18

423048A1

NUT

2шт.

19

423049A1

CONTROL LEVER

1шт.

20

423050A1

PLATE

1шт.

21

423051A1

SCREW

2шт.

22

421253A1

WASHER

2шт.

23

NS

NOT SERVICED

SEE FIGURE 32.402/001

1шт.

24

423052A1

WASHER

5шт.

25

423053A1

NUT

5шт.

26

423032A1

CLASP

2шт.

27

423054A1

GASKET

1шт.

28

422854A1

BUMPER

8шт.

29

423055A1

SPACER

4шт.

30

423056A1

SCREW

1шт.

31

423057A1

WASHER

1шт.

32

423058A1

WASHER

4шт.

33

423059A1

SCREW

4шт.

34

423060A1

WASHER

4шт.

35

423181A1

COWL

1шт.

36

422993A1

SCREW

12шт.

37

422994A1

WASHER

12шт.

38

422992A1

SPRING

12шт.

39

423182A1

COWL

1шт.

40

423183A1

COWL

1шт.

41

423184A1

COWL

1шт.

42

423061A1

SCREW

2шт.

43

423062A1

WHEEL ASSY.

1шт.

44

423185A1

WHEEL

1шт.

45

423063A1

CAP

1шт.

46

423064A1

BUTTON

1шт.

47

423065A1

KEY

1шт.

48

423066A1

WASHER

1шт.

49

423067A1

NUT

1шт.

50

423186A1

COWL

1шт.

Выбрано товаров: 50