Качественные детали и логистика
Оригинальные и аналоговые запчасти с доставкой по России, Казахстану и Беларуси
©2022 PartSell ООО "Система" ИНН 2463123282 ОГРН 1212400004838
Центральный офис: г. Красноярск, Академика Киренского, д.87, пом.4
Телефон: 8 (800) 777-65-74 Email: zakaz@partsell.ru
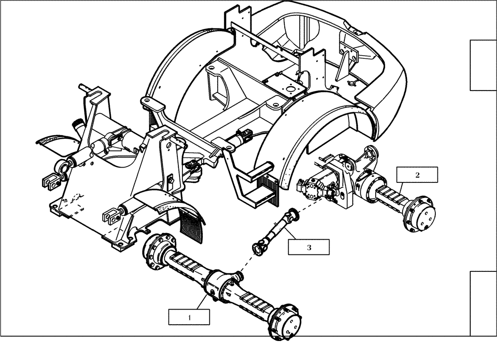
(02.000[001]) - AXLES STANDARD (S/N 591052-UP)
№
Артикул
Название
Примечание
Количество
1
NS
NOT SERVICED
SEE FIGURE 02.060/001
1шт.
2
SEE FIGURE 02.020/003
3
SEE FIGURE 07.010/001
Выбрано товаров: 0