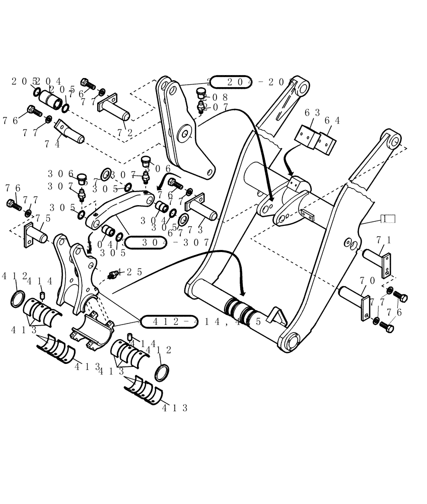
Запчасти Case 321D (60.501[002]) - LOADER BOOM MOUNTING PARTS (S/N 591052-591058) No Description

Схема запчастей Case 321D - (60.501[002]) - LOADER BOOM MOUNTING PARTS (S/N 591052-591058) No Description
1
307
305
413
412
71
4
3
76
305
70
76
205
205
207
305
76
413
74
63
305
304
73
77
75
77
67
412
304-307
204
414
77
64
414
413
76
77
307
76
77
425
304
306
2
67
204-208
413
306
208
72
FIT
1:1
100%

Артикул

Название

Примечание

Количество

1

NS

NOT SERVICED

SEE FIGURE 60.502/001

1шт.

2

422425A1

PIVOTING ARM

1шт.

3

422426A1

CRANKED LINK

1шт.

4

422429A1

PIVOTING ARM

1шт.

63

422433A1

PLATE

2шт.

64

422434A1

PLATE

2шт.

67

422435A1

BACK-UP RING

2шт.

70

422436A1

PIN

2шт.

71

422437A1

PIN

2шт.

72

422110A1

PIN

1шт.

73

422438A1

PIN

1шт.

74

422110A1

PIN

1шт.

75

422439A1

PIN

1шт.

76

614-10016

BOLT,Hex, M10 x 1.5 x 16mm, Cl 8.8, Full Thd

8шт.

77

420197A1

WASHER

8шт.

204

422440A1

BUSHING

1шт.

205

422422A1

RING

2шт.

207

933781R1

LUBE NIPPLE,M10 x 1

1шт.

208

420886A1

CAP

1шт.

304

422428A1

BUSHING

2шт.

305

420884A1

RING

4шт.

306

420886A1

CAP

2шт.

307

420268A1

LUBE NIPPLE

2шт.

412

422431A1

RING

2шт.

413

422432A1

BEARING HALF

12шт.

414

420909A1

PIN

12шт.

425

420268A1

LUBE NIPPLE

4шт.

Выбрано товаров: 27