Качественные детали и логистика
Оригинальные и аналоговые запчасти с доставкой по России, Казахстану и Беларуси
©2022 PartSell ООО "Система" ИНН 2463123282 ОГРН 1212400004838
Центральный офис: г. Красноярск, Академика Киренского, д.87, пом.4
Телефон: 8 (800) 777-65-74 Email: zakaz@partsell.ru
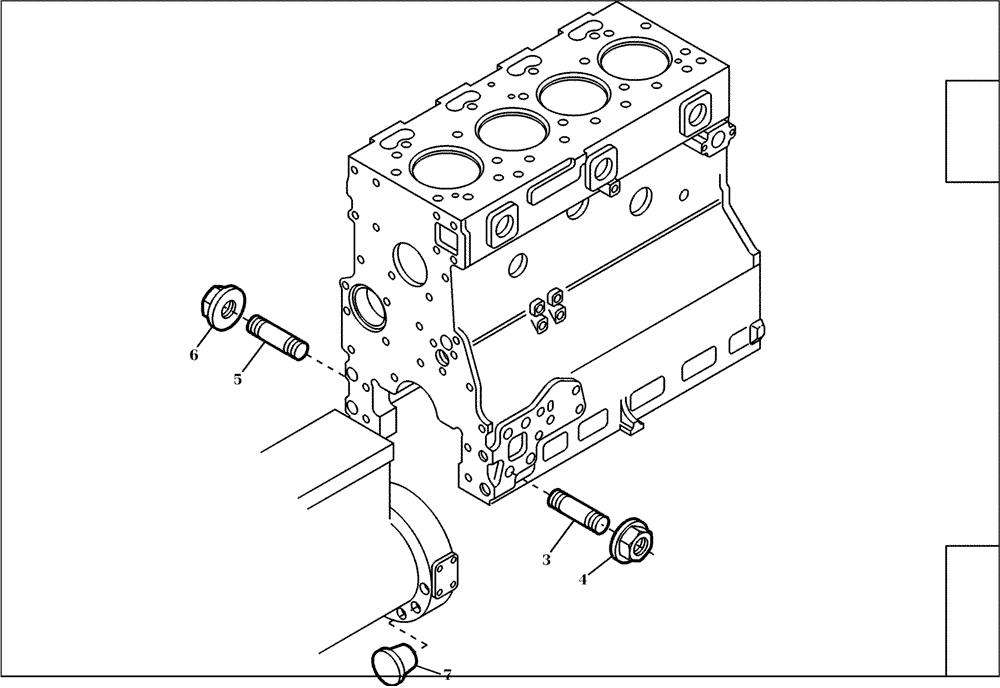
(95.046[001]) - ENGINE PARTS (S/N 591052-UP)
№
Артикул
Название
Примечание
Количество
3
218493A1
STUD
7шт.
4
217977A1
NUT
5
1шт.
6
7
218494A1
PLUG
4шт.
Выбрано товаров: 0