Запчасти Case 321D (13.020[001]) - SILENT-BLOCK ENGINE (S/N 591052-UP) No Description

Схема запчастей Case 321D - (13.020[001]) - SILENT-BLOCK ENGINE (S/N 591052-UP) No Description
FIT
1:1
100%

Артикул

Название

Примечание

Количество

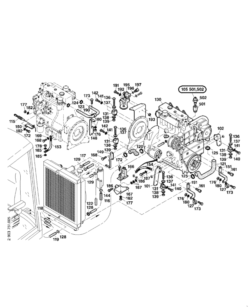
101

422174A1

HOLDER

1шт.

102

422175A1

HOLDER

1шт.

105

420481A1

TEMPERATURE SENDER

1шт.

115

422176A1

CABLE

Throttle

1шт.

116

420488A1

HOSE

1шт.

117

420489A1

HOSE

1шт.

118

420488A1

HOSE

1шт.

119

420488A1

HOSE

1шт.

120

422179A1

RADIATOR HOSE,50.00 mm ID x 408.00 mm

1шт.

121

422180A1

RADIATOR HOSE,765.00 mm

1шт.

122

423594A1

HOSE

1шт.

123

422181A1

HOSE

1шт.

125

3144921R1

CLAMP,M50-70, Worm

2шт.

126

254026A1

HOSE CLAMP,44.45mm - 66.67mm

2шт.

127

422182A1

CLAMP

2шт.

128

420494A1

HOSE CLAMP

7шт.

129

420495A1

HOSE CLAMP

3шт.

130

NS

NOT SERVICED

SEE FIGURE 95.000/001

1шт.

131

422280A1

FOOT

4шт.

136

422281A1

CAPSCREW,Hex

4шт.

137

422282A1

WASHER

4шт.

138

422284A1

WASHER

4шт.

139

832-10412

NUT,M12 x 1.75, Cl 8

12шт.

140

614-12040

BOLT,Hex, M12 x 1.75 x 40mm, Cl 8.8, Full Thd

4шт.

141

422285A1

WASHER

8шт.

142

614-12035

BOLT,Hex, M12 x 1.75 x 35mm, Cl 8.8, Full Thd

4шт.

144

423595A1

HOSE CLIP

1шт.

148

422286A1

HOLDER

1шт.

149

422287A1

HOLDER

1шт.

150

422288A1

HOLDER

1шт.

151

422289A1

HOLDER

2шт.

153

422290A1

NEG BATTERY CABLE

1шт.

154

420482A1

NEG BATTERY CABLE

1шт.

155

420952A1

CABLE CLIP

2шт.

157

100016

NUT,M10 x 1.5, Cl 8

1шт.

161

864-16030

HEX SOC SCREW,M16 x 30mm, Cl 8.8

4шт.

166

422291A1

RELAY

1шт.

167

422292A1

HOLDER

1шт.

168

614-12020

BOLT,Hex, M12 x 1.75 x 20mm, Cl 8.8, Full Thd

3шт.

169

422293A1

WASHER

1шт.

172

614-6016

BOLT,Hex, M6 x 1 x 16mm, Cl 8.8, Full Thd

5шт.

173

614-8020

BOLT,Hex, M8 x 1.25 x 20mm

3шт.

176

43362

NUT,M8 x 1.25, Cl 10

3шт.

177

825-1406

NUT,M6, Cl 8

5шт.

178

832-46410

NUT,M10 x 1.5, Cl 8

1шт.

180

420222A1

WASHER

5шт.

182

896-11006

WASHER,6.6mm ID x 12.5mm OD x 2mm Thk

4шт.

185

420219A1

WASHER

3шт.

186

614-10020

BOLT,Hex, M10 x 1.5 x 20mm, Cl 8.8, Full Thd

2шт.

190

515-21302

CLAMP,1 3/16", Insul, 1/4" Bolt

1шт.

191

614-8025

BOLT,Hex, M8 x 1.25 x 25mm, Cl 8.8, Full Thd

2шт.

192

895-15008

WASHER,9mm ID x 20mm OD x 1.6mm Thk

2шт.

193

43362

NUT,M8 x 1.25, Cl 10

2шт.

195

422294A1

FEED PUMP

1шт.

196

423935A1

RING

1шт.

197

422295A1

PIPE FITTING

1шт.

501

420536A1

TEMPERATURE SENDER

1шт.

502

420537A1

ADAPTER

1шт.

187

895-15010

WASHER,11mm ID x 24mm OD x 2mm Thk

3шт.

Выбрано товаров: 59