Запчасти Case 121E (20.010[2991412001]) - HYDRAULIC SYSTEM BASIC MACHINE (35) - HYDRAULIC SYSTEMS

Схема запчастей Case 121E - (20.010[2991412001]) - HYDRAULIC SYSTEM BASIC MACHINE (35) - HYDRAULIC SYSTEMS
FIT
1:1
100%

Артикул

Название

Примечание

Количество

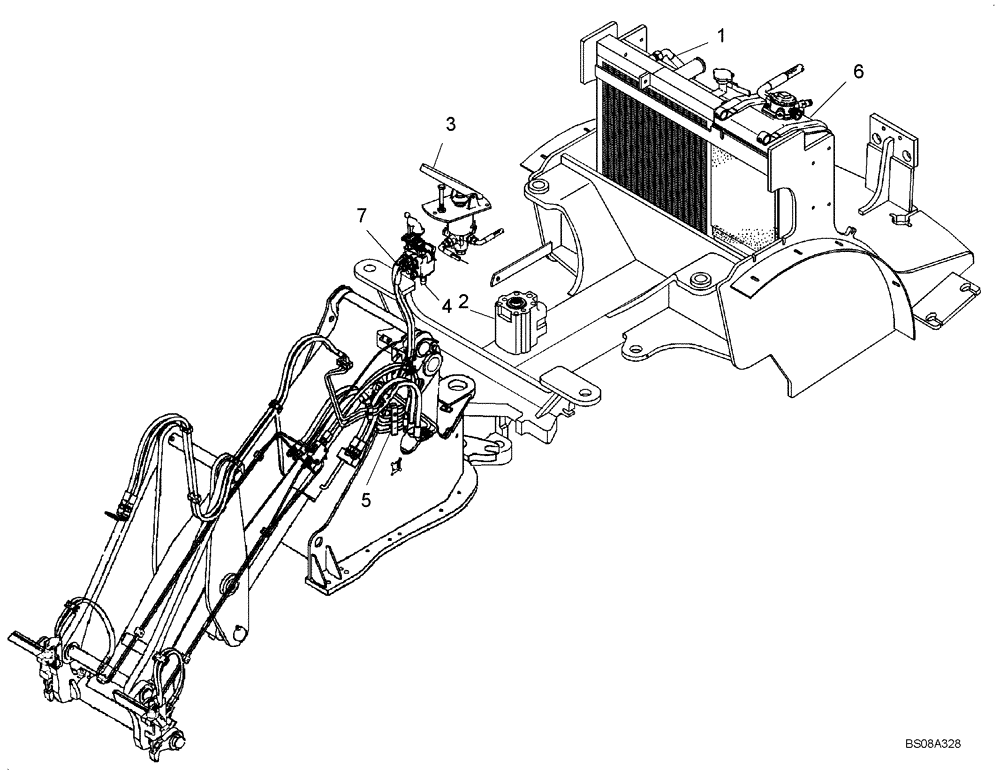
1

Hydraulic System Driving, (4552032) See Fig 20.100

1шт.

2

Hydraulic System Steering Monoboom, (6559517) See Fig 20.530

1шт.

3

Hydraulic System Brake, (4554335) See Fig 20.540

1шт.

4

Hydraulic System Work, (4554080) See Fig 20.500

1шт.

5

Hydraulic System Basic Machine Front Carriage, (4554600) See Fig 20.060

1шт.

6

Hydraulic Oil Tank Installation Material, (4552058) See Fig 10.100

1шт.

7

Hydraulic Systen 3rd Fuction (6559511) See Fig 20.571

1шт.

Выбрано товаров: 7