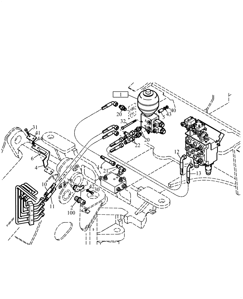
Запчасти Case 121E (20.521[2992619000]) - HYDRAULIC SYSTEM RIDECONTROL (35) - HYDRAULIC SYSTEMS

Схема запчастей Case 121E - (20.521[2992619000]) - HYDRAULIC SYSTEM RIDECONTROL (35) - HYDRAULIC SYSTEMS
10
20
12
22
2
13
42
30
11
41
43
20
44
31
3
6
1
100
40
14
4
32
5
21
FIT
1:1
100%

Артикул

Название

Примечание

Количество

1

6559112

HYDRAULIC VALVE

See Fig 22.420

1шт.

2

2186122

PRESSURE SWITCH

1шт.

3

4554593

BRACKET

1шт.

4

4554592

BRACKET

1шт.

5

4552399

SPACER

2шт.

6

750524

SEAL

, Serial Range: -20_521_2992618000

1шт.

10

4554131

HYDRAULIC HOSE,12mm ID x 1370mm L

M12 x 1370, Serial Range: -20_521_2992618000

1шт.

11

4554131

HYDRAULIC HOSE,12mm ID x 1370mm L

M12 x 1370

1шт.

12

4554613

HYDRAULIC HOSE

M12 x 1260

1шт.

13

4554613

HYDRAULIC HOSE

M12 x 1260

1шт.

14

4554614

HYDRAULIC HOSE

M12 x 800

1шт.

20

1768191

HYD CONNECTOR

3шт.

21

1991911

TEE

1шт.

22

1991910

TEE

2шт.

30

63290

BALL

M6 x 12, Cl8.8

2шт.

31

2975142

SCREW

M6 x 18, Cl 8.8

2шт.

32

725012

BOLT,Hex, M8 x 1.25 x 120mm, Cl 8.8

2шт.

40

57126

NUT,Hex, M8, Cl 8

2шт.

41

2978731

PLATE

1шт.

42

2372234

WASHER

2шт.

43

62543

WASHER

2шт.

44

NLS

NO LONGER SERVICED

2шт.

100

Electrical System Ridecontrol, (3004877) See Fig 32.750

1шт.

Выбрано товаров: 23