Запчасти Case 21E (20.010[2991465002]) - HYDRAULIC SYSTEM BASIC MACHINE (35) - HYDRAULIC SYSTEMS

Схема запчастей Case 21E - (20.010[2991465002]) - HYDRAULIC SYSTEM BASIC MACHINE (35) - HYDRAULIC SYSTEMS
6
3
5
2
1
7
4
FIT
1:1
100%

Артикул

Название

Примечание

Количество

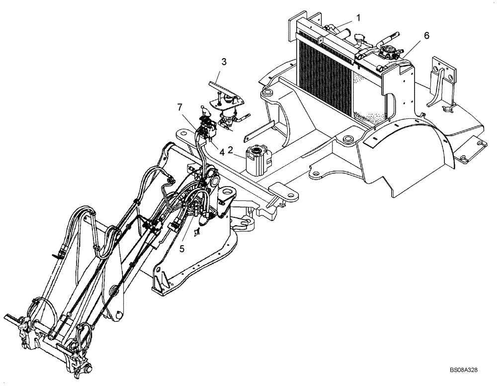
1

Hydraulic System Driving, (2772422) See Fig 20.100

1шт.

2

Hydraulic System Steering, (6559516) See Fig 20.530

1шт.

3

Hydraulic System Brake, (2772893) See Fig 20.540

1шт.

4

Hydraulic System Work, (2772902) See Fig 20.500

1шт.

5

Hydraulic System Basic Machine Front Carriage, (4554600) See Fig 20.060

1шт.

6

Hydraulic Oil Tank Installation Material, (4552058) See Fig 10.100

1шт.

7

Hydraulic System Additional Function, (6559511) See Fig 20.570

1шт.

Выбрано товаров: 7