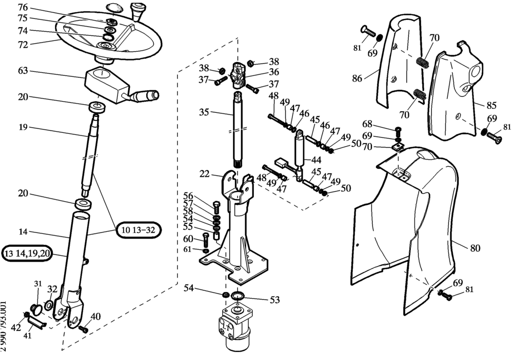
Запчасти Case 21E (34.130[2992650000]) - CONTROL COLUMN INSTALLTION (90) - PLATFORM, CAB, BODYWORK AND DECALS

Схема запчастей Case 21E - (34.130[2992650000]) - CONTROL COLUMN INSTALLTION (90) - PLATFORM, CAB, BODYWORK AND DECALS
FIT
1:1
100%

Артикул

Название

Примечание

Количество

10

3805090

STEERING COLUMN

1шт.

12

6916035

STEERING COLUMN

1шт.

13

6916044

STEERING COLUMN

1шт.

14

6916069

LOWER LINK

1шт.

19

6916070

SHAFT

1шт.

20

1482406

BEARING

2шт.

22

6916071

HOUSING

1шт.

31

1482290

PIN

2шт.

32

1482388

WASHER

2шт.

35

1482293

SHAFT

1шт.

36

1482694

FLEXIBLE JOINT

1шт.

37

1482339

SCREW,M8 x 35mm

2шт.

38

1482379

NUT

2шт.

40

1482286

PIN

1шт.

41

1482414

BRACKET

1шт.

42

1482378

LOCK NUT

1шт.

44

1482455

GAS STRUT

1шт.

45

1482403

PIN

2шт.

46

1482385

WASHER

2шт.

47

1482686

SPACER

4шт.

48

1482342

SCREW

2шт.

49

1482391

WASHER

4шт.

50

1482361

NUT

2шт.

53

1482441

SEAL,45mm ID x 60mm OD x 6mm Thk

1шт.

54

1482448

DAMPER

8шт.

55

1482451

SPACER

4шт.

56

1482332

SCREW,M10 x 30mm

4шт.

57

1493605

WASHER

4шт.

58

1493606

WASHER

4шт.

60

6916072

SCREW

4шт.

61

1482396

WASHER

4шт.

63

3805151

FLASHER SWITCH

1шт.

64

1482682

CLAMP

2шт.

68

79105220

SCREW,Phillips Drive, Oval HD, M6 x 20mm

2шт.

69

79076208

WASHER

4шт.

70

76047274

NUT,M6 x 1

2шт.

72

6916074

STEERING WHEEL

1шт.

74

1482405

LOCKING PLATE

1шт.

75

1482389

WASHER

1шт.

76

1482368

NUT

1шт.

80

3805276

BASE PLATE

Shell

1шт.

81

1493972

SCREW,M6 x 20mm

2шт.

85

3805172

TRIM PANEL

1шт.

86

3805173

TRIM PANEL

1шт.

90

1482383

WASHER

1шт.

91

1482364

NUT

1шт.

Выбрано товаров: 46