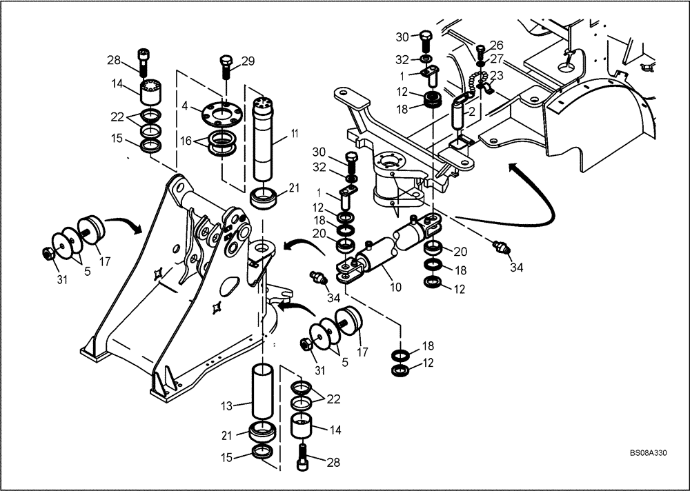
Запчасти Case 21E (01.450[2991419001]) - ARTICULATED JOINT (39) - FRAMES AND BALLASTING

Схема запчастей Case 21E - (01.450[2991419001]) - ARTICULATED JOINT (39) - FRAMES AND BALLASTING
4
32
28
15
23
18
28
32
12
22
31
17
5
30
30
34
27
11
234
1
13
14
10
20
12
12
12
20
18
17
2
14
16
21
18
29
22
18
15
21
26
1
5
31
FIT
1:1
100%

Артикул

Название

Примечание

Количество

1

512166

PIN,6.35mm OD x 22.23mm L

Replaces 422125A1

2шт.

2

4550217

PIN,45mm OD

Replaces 420229A1

1шт.

4

1940605

COVER

Replaces 420230A1

1шт.

10

6559546

STEERING CYLINDER,32mm Rod, 300mm Stroke

Steering Cylinder, See Fig 24.122

1шт.

11

2438390

PIN

Replaces 420254A1

1шт.

12

4552174

WASHER

4шт.

13

2438401

SLEEVE

Replaces 420256A1

1шт.

14

1940521

COVER

Replaces 420257A1

2шт.

15

2438404

RING

Replaces 420258A1

1шт.

16

1940569

WASHER

Replaces 420259A1

2шт.

18

750585

GASKET

4шт.

20

2929701

SPHERICAL BEARING,25mm ID x 42mm OD x 20mm W

2шт.

21

2976193

ROLLER BEARING,70mm ID x 105mm OD x 49mm W

2шт.

22

2976897

CLAMP

4шт.

23

2900981

RETAINER

Replaces 420265A1

1шт.

26

2975136

SCREW,Hex, M4 x 0.7 x 12mm, Cl 8.8

2шт.

27

3233254R1

WASHER,M4.3 ID x 9 OD x .8 Thk

2шт.

28

264227

SCREW,Hex Soc Hd, M12 x 50mm, Cl 10.9

12шт.

29

614-12025

BOLT,Hex, M12 x 1.75 x 25mm, Cl 8.8, Full Thd

6шт.

30

300383

BOLT,Hex, M10 x 1.5 x 16mm, Cl 8.8, Full Thd

2шт.

32

530811

WASHER

Replaces 420197A1

2шт.

34

2973067

LUBE NIPPLE

Replaces 420268A1

3шт.

Выбрано товаров: 22