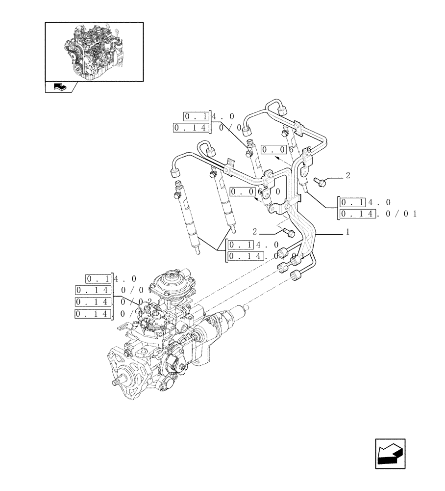
Запчасти Case 21E (0.14.9) - INJECTION EQUIPMENT - PIPING (01) - ENGINE

Схема запчастей Case 21E - (0.14.9) - INJECTION EQUIPMENT - PIPING (01) - ENGINE
2
0.14.0
0.14.0
0.14.0/01
0.14.0
0.06.0
0.14.0/03
0.14.0/02
0.06.6
0.14.0
1
home
0.14.0/01
2
0.14.0/01
0.14.0/01
FIT
1:1
100%

Артикул

Название

Примечание

Количество

1

504216298

INJECTION PIPE

1шт.

2

2852323

SCREW,M8 x 1.25 x 14mm

M8X14

3шт.

Выбрано товаров: 2