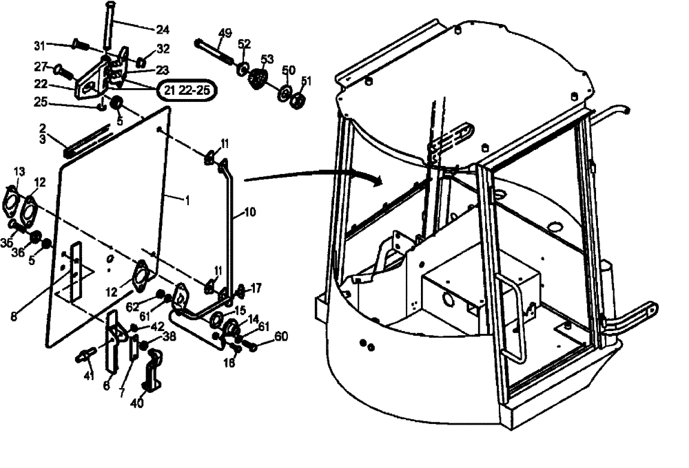
Запчасти Case 221E (34.236[2990728000]) - SKYLIGHT WINDOW FULL OPENABLE (OPTION) (90) - PLATFORM, CAB, BODYWORK AND DECALS

Схема запчастей Case 221E - (34.236[2990728000]) - SKYLIGHT WINDOW FULL OPENABLE (OPTION) (90) - PLATFORM, CAB, BODYWORK AND DECALS
8
38
21 22-25
13
27
22
5
42
61
11
53
7
25
52
60
50
61
62
49
13
6
24
10
1
16
15
25
17
12
3
35
5
51
11
23
14
36
41
32
40
31
FIT
1:1
100%

Артикул

Название

Примечание

Количество

1

3805223

GLASS

Side

1шт.

2

6916177

RUBBER SEAL

2шт.

3

6916178

GLASS SEAL

1шт.

5

1482692

GROMMET

4шт.

6

3805245

DETENT

1шт.

7

6100012

RETAINER

1шт.

8

3805249

SEAL

Seal/Gasket

1шт.

9

6916190

PIN

Guide

1шт.

10

3805210

GRIP

Handle

1шт.

11

3805208

GASKET,4mm Thk

1шт.

12

3805209

GASKET,4mm Thk

1шт.

13

3805221

FLANGE

1шт.

14

3805133

STOP

Limit

1шт.

15

3805170

GASKET

1шт.

16

6916090

CATCH

1шт.

17

3805250

CABLE

Window; 314 mm

1шт.

21

76088293

HINGE

Incl. 22-25

2шт.

22

NSS

NOT SOLD SEPARAT

Hinge

1шт.

23

NSS

NOT SOLD SEPARAT

Hinge

1шт.

24

NSS

NOT SOLD SEPARAT

Hinge Pin

1шт.

25

6916182

LOCKING RING

1шт.

27

6916183

SCREW

2шт.

31

6916185

SCREW

4шт.

32

1491024

THREADED INSERT

4шт.

35

6916185

SCREW

2шт.

36

6916188

SPACER

2шт.

38

1482365

NUT

M18 x 1.5

2шт.

40

76043538

HANDLE

1шт.

41

6916189

PIN

1шт.

42

6916182

LOCKING RING

1шт.

49

6916960

SCREW

Phillips Head; Incl 50-53

1шт.

50

NSS

NOT SOLD SEPARAT

Washer

1шт.

51

NSS

NOT SOLD SEPARAT

Nut

1шт.

52

NSS

NOT SOLD SEPARAT

Roller Guide

1шт.

53

NSS

NOT SOLD SEPARAT

Plug

1шт.

60

6916959

SCREW

3шт.

61

1482383

WASHER

6шт.

62

1482378

LOCK NUT

3шт.

63

6916090

CATCH

1шт.

Выбрано товаров: 39