Запчасти Case 221E (20.010[2991466001]) - HYDRAULIC SYSTEM BASIC MACHINE (35) - HYDRAULIC SYSTEMS

Схема запчастей Case 221E - (20.010[2991466001]) - HYDRAULIC SYSTEM BASIC MACHINE (35) - HYDRAULIC SYSTEMS
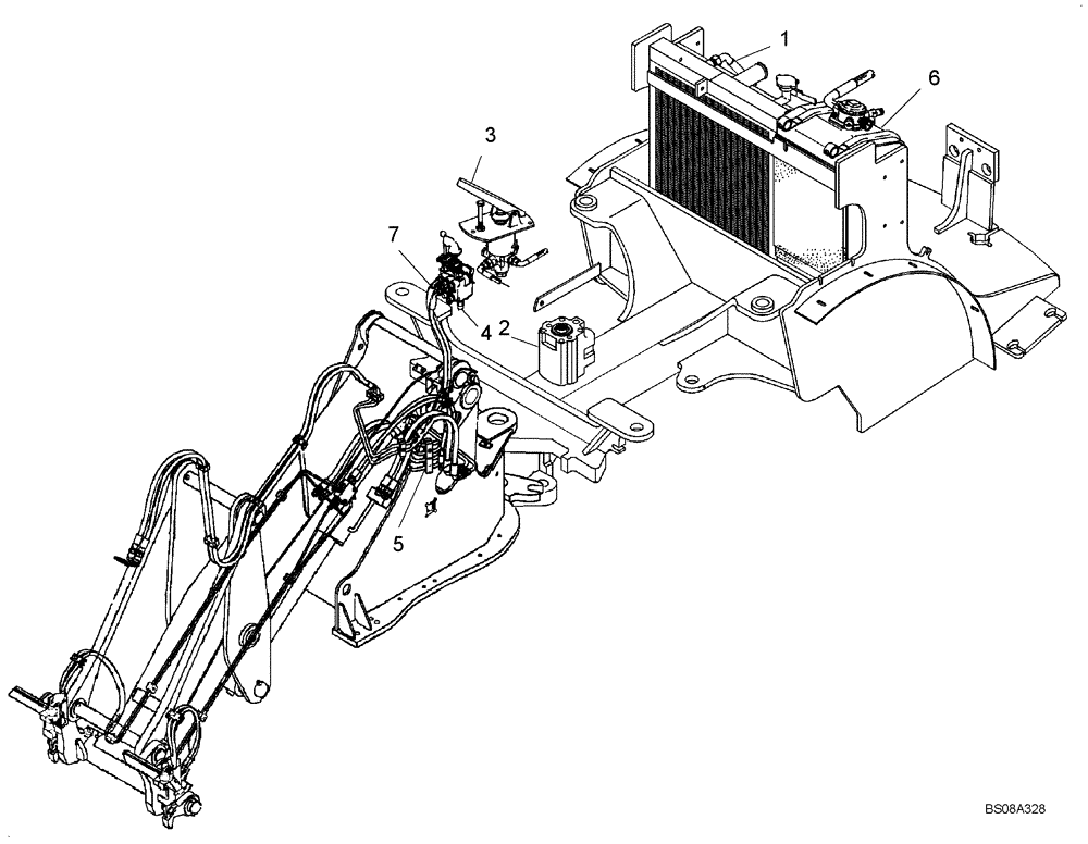
1
6
3
4
7
2
5
FIT
1:1
100%

Артикул

Название

Примечание

Количество

1

Hydraulic System Driving, (4552032) See Fig 20.100

1шт.

2

Hydraulic System Steering Monoboom, (6559517) See Fig 20.530

1шт.

3

Hydraulic System Brake, (4554335) See Fig 20.540

1шт.

4

Hydraulic System Work, (4554080) See Fig 20.500

1шт.

5

Hydraulic System Front Carriage,(2840366) See Fig 20.060

1шт.

6

Hydraulic Oil Tank Installation Material, (4552058) See Fig 10.100

1шт.

7

Hydraulic System 3rd Fuction, (6559507) See Fig 20.570

1шт.

Выбрано товаров: 0