Запчасти Case 321E (20.010[2991216002]) - HYDRAULIC SYSTEM BASIC MACHINE (35) - HYDRAULIC SYSTEMS

Схема запчастей Case 321E - (20.010[2991216002]) - HYDRAULIC SYSTEM BASIC MACHINE (35) - HYDRAULIC SYSTEMS
2
3
4
6
1
7
5
FIT
1:1
100%

Артикул

Название

Примечание

Количество

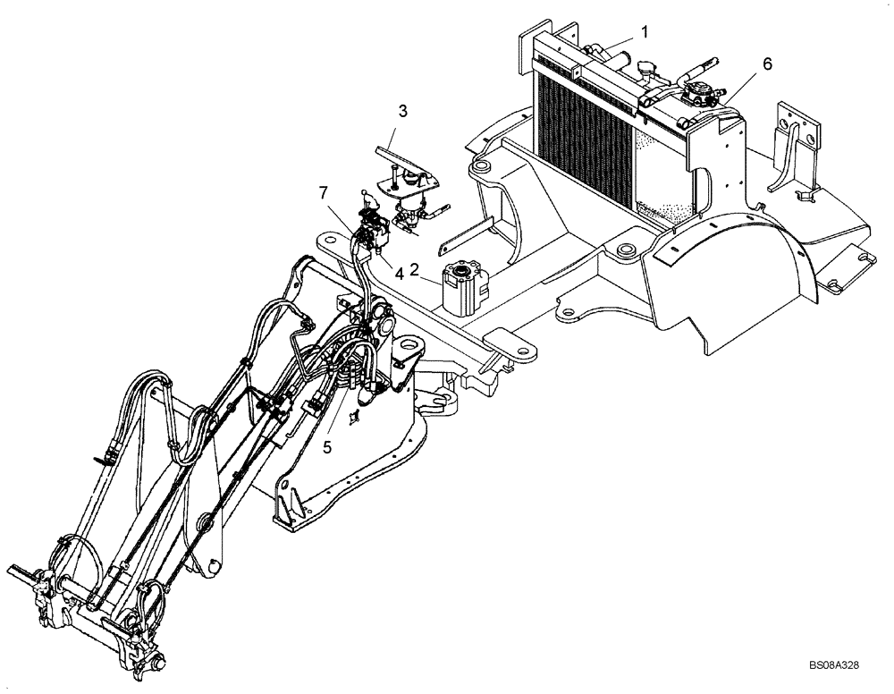
1

Hydraulic System Driving, (2813753) See Fig 20.100

1шт.

2

Hydraulic System Steering Monoboom, (6559517) See Fig 20.530

1шт.

3

Hydraulic System Brake, (4554335) See Fig 20.540

1шт.

4

Hydraulic System Work, (4554080) See Fig 20.500

1шт.

5

Hydraulic System Front Carriage, (2840366) See Fig 20.060

1шт.

6

Hydraulic Oil Tank Installation Material, (4552028) See Fig 10.100

1шт.

7

Hydraulic System Additional Fuction, (6559507) See Fig 20.570

1шт.

Выбрано товаров: 7