Запчасти Case 321E (23.612[6917013000]) - CONTROL LEVER ASSY (35) - HYDRAULIC SYSTEMS

Схема запчастей Case 321E - (23.612[6917013000]) - CONTROL LEVER ASSY (35) - HYDRAULIC SYSTEMS
FIT
1:1
100%

Артикул

Название

Примечание

Количество

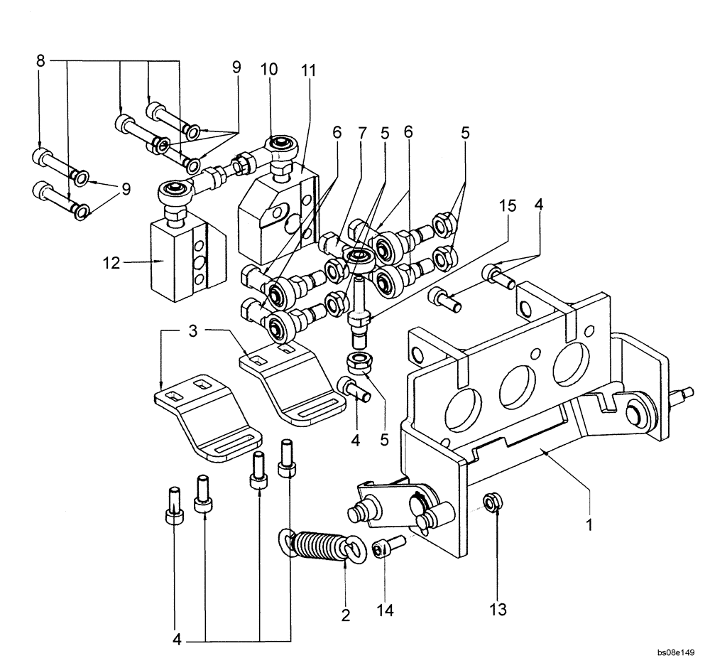
6917013

CONTROL

Lever Incl 1-15

1шт.

1

6917014

BEARING ASSY

Bearing

1шт.

2

6917015

SPRING

1шт.

3

6917016

BRACKET

2шт.

4

6917017

SCREW

7шт.

5

6917018

NUT

Nut

5шт.

6

6917019

ARTICULATION

Joint

4шт.

7

6917020

ARTICULATION

Joint

1шт.

8

6917021

SCREW

5шт.

9

6917022

WASHER

5шт.

10

6917023

ARTICULATION

1шт.

11

6917024

DRAWBAR SUPPORT

Support, Drawbar

1шт.

12

6917025

DRAWBAR SUPPORT

Support, Drawbar

1шт.

13

6917026

NUT

1шт.

14

6917027

SCREW

1шт.

15

6917028

PIN

1шт.

Выбрано товаров: 0