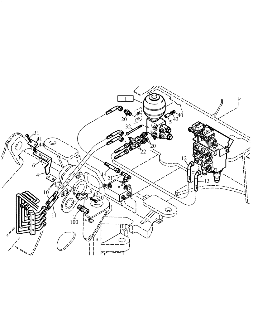
Запчасти Case 321E (20.521[2992618000]) - HYDRAULIC SYSTEM RIDECONTROL (OLS SYSTEM) (35) - HYDRAULIC SYSTEMS

Схема запчастей Case 321E - (20.521[2992618000]) - HYDRAULIC SYSTEM RIDECONTROL (OLS SYSTEM) (35) - HYDRAULIC SYSTEMS
100
20
4
2
21
6
11
10
40
44
41
1
14
5
32
12
22
31
13
3
30
20
42
43
FIT
1:1
100%

Артикул

Название

Примечание

Количество

1

6559112

HYDRAULIC VALVE

Block, See Fig 22.420

1шт.

2

2186122

PRESSURE SWITCH

1шт.

3

4554591

BRACKET

OLS-INITIATOR

1шт.

4

4554592

BRACKET

PLATE SWITCHING

1шт.

5

4552399

SPACER

SLEEVE 9 x 25 x 35-FE/ZN8B

2шт.

6

750524

SEAL

1шт.

10

4554131

HYDRAULIC HOSE,12mm ID x 1370mm L

12 x 1370 D/N90-2SN

1шт.

11

4554131

HYDRAULIC HOSE,12mm ID x 1370mm L

12 x 1370 D/N90-2SN

1шт.

12

4554613

HYDRAULIC HOSE

12 x 1260 N/N90-2SN

1шт.

13

4554613

HYDRAULIC HOSE

12 x 1260 N/N90-2SN

1шт.

14

4554614

HYDRAULIC HOSE

12 x 800 N/N90-2SN

1шт.

20

1768191

HYD CONNECTOR

SOCKET DIN 3901-L 15 E-M-ST

3шт.

21

1991911

TEE

SOCKET ET15-L/OMD

1шт.

22

1991910

TEE

SOCKET EL15-L/OMD

2шт.

30

63290

BALL

M6 x 12-8.8-A2B

2шт.

31

2975142

SCREW

M6 x 18-8.8-A2B

2шт.

32

725012

BOLT,Hex, M8 x 1.25 x 120mm, Cl 8.8

2шт.

40

57126

NUT,Hex, M8, Cl 8

2шт.

41

2978731

PLATE

3015-L-DP-4-W1-ZN

1шт.

42

2372234

WASHER

2шт.

43

62543

WASHER

2шт.

44

NLS

NO LONGER SERVICED

2шт.

100

Electrical System Ridecontrol, (3004877) See Fig 32.750/2992620

1шт.

Выбрано товаров: 0