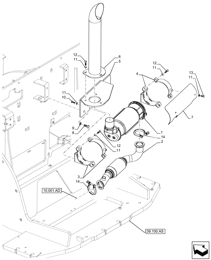
Запчасти Case 121F (10.254.AI[01B]) - EXHAUST SYSTEM, MUFFLER - BEGIN DATE 01 MARCH 2017 (10) - ENGINE

Схема запчастей Case 121F - (10.254.AI[01B]) - EXHAUST SYSTEM, MUFFLER - BEGIN DATE 01 MARCH 2017 (10) - ENGINE
12
5
11
10
12
4
8
1
3
11
14
9
7
2
6
13
11
12
11
14
39.100.as
10.001.ad
11
FIT
1:1
100%

Артикул

Название

Примечание

Количество

1

47917279

CATALYST

1шт.

2

47829192

TUBE

Exhaust System

1шт.

3

84593969

CLAMP

Muffler Support

2шт.

4

47533955

BRACKET

Muffler Support

2шт.

5

47579709

BRACKET

Exhaust Extension Support

1шт.

6

84495949

EXTENSION

Exhaust Stack

1шт.

7

47525434

COVER

Exhaust

1шт.

8

11112431

SCREW,Hex, M12 x 30mm, Cl 10.9, Full Thd

4шт.

9

10520021

WASHER,12.2mm ID x 22mm OD x 3mm Thk

4шт.

10

43234

BOLT,Hex, M8 x 1.25 x 25mm, Cl 10.9, Full Thd

4шт.

11

86624184

WASHER,9mm ID x 16mm OD x 1.6mm Thk

13шт.

12

43235

BOLT,Hex, M8 x 1.25 x 30mm, Cl 10.9, Full Thd

7шт.

13

16043431

SCREW,Hex, M8 x 1.25 x 20mm, Cl 10.9, Full Thd

2шт.

14

84409146

PIPE CLAMP,63.5mm - 70mm

Exhaust System Hose

2шт.

Выбрано товаров: 14