Качественные детали и логистика
Оригинальные и аналоговые запчасти с доставкой по России, Казахстану и Беларуси
©2022 PartSell ООО "Система" ИНН 2463123282 ОГРН 1212400004838
Центральный офис: г. Красноярск, Академика Киренского, д.87, пом.4
Телефон: 8 (800) 777-65-74 Email: zakaz@partsell.ru
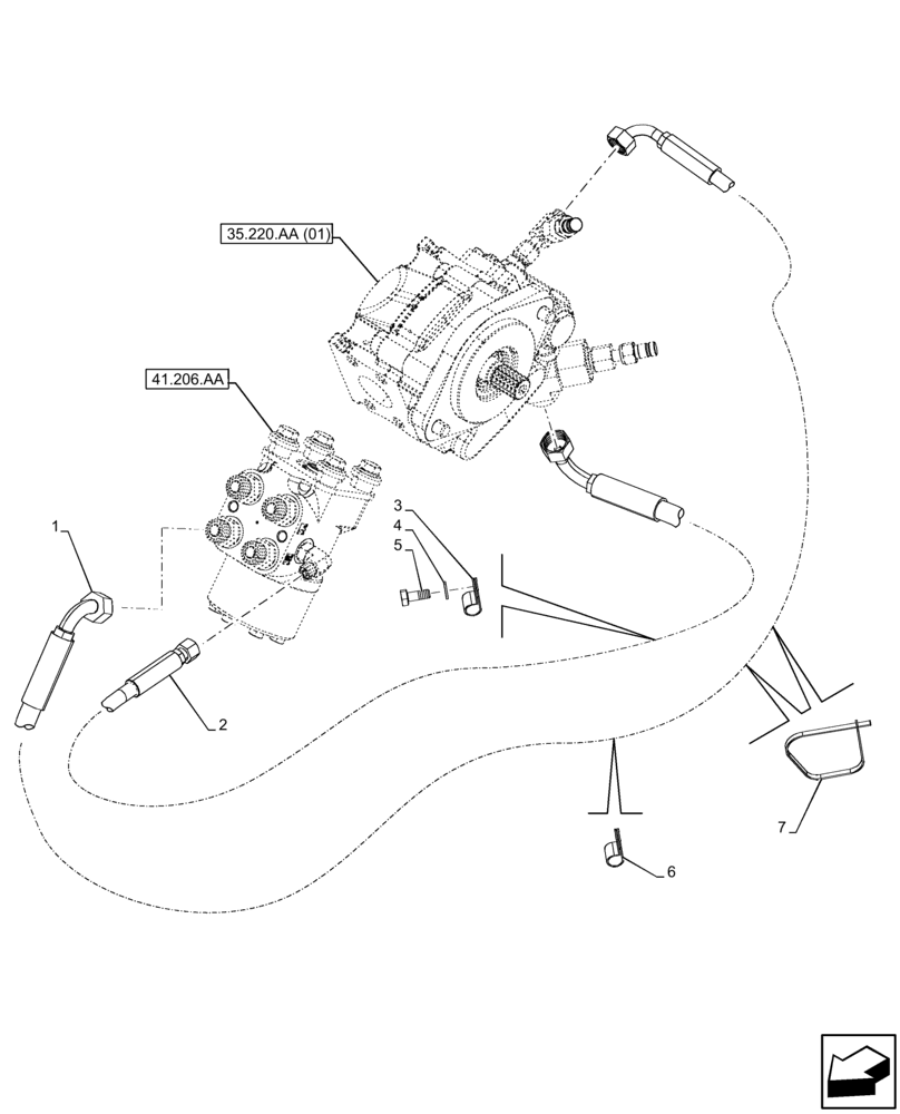
(41.200.AO [03]) - STEERING, HYDRAULIC LINE
№
Артикул
Название
Примечание
Количество
1
47504849
HYDRAULIC HOSE
P Steering, Pump to Gear Pump
1шт.
2
47504848
LS Steering, Pump to Gear Pump
3
515-22127
CLAMP,1/2", Insul, 5/16" Bolt
4
86624184
WASHER,9mm ID x 16mm OD x 1.6mm Thk
5
16043431
SCREW,Hex, M8 x 1.25 x 20mm, Cl 10.9, Full Thd
6
8403429
CLAMP
7
4982514
CABLE TIE,188mm L
2шт.
Выбрано товаров: 0