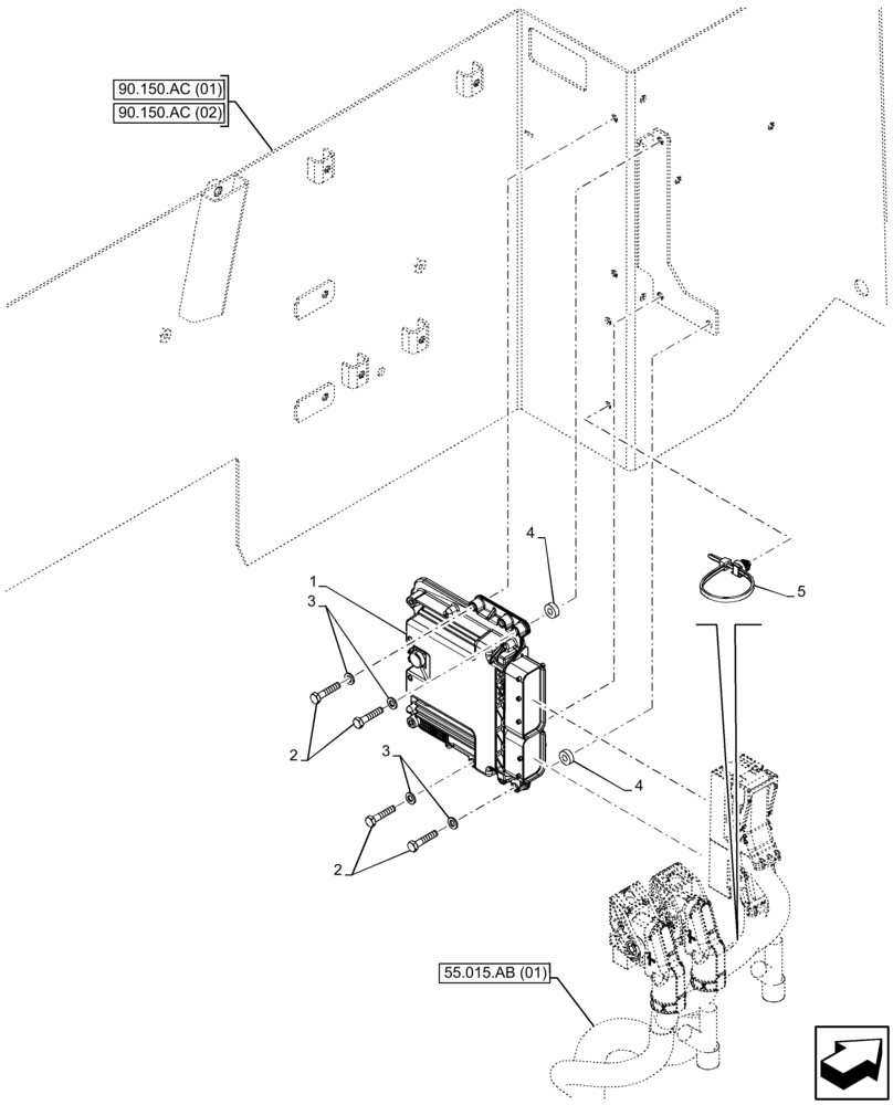
Запчасти Case 121F (55.015.AA) - ENGINE, ELECTRONIC CONTROL UNIT (55) - ELECTRICAL SYSTEMS

Схема запчастей Case 121F - (55.015.AA) - ENGINE, ELECTRONIC CONTROL UNIT (55) - ELECTRICAL SYSTEMS
2
90.150.ac (02)
5
3
3
55.015.ab (01)
4
90.150.ac (01)
1
4
2
FIT
1:1
100%

Артикул

Название

Примечание

Количество

1

84472188

ECU

EDC 12/24V

1шт.

1

84472188R

REMAN ELECT CONTROL

EDC 12/24V

1шт.

1

84472188C

CORE-ELECTRONIC CONT

Return Number

1шт.

2

43117

SCREW,Hex, M6 x 1.0 x 30mm, Cl 8.8

4шт.

3

86588450

WASHER,6.6mm ID x 12mm OD x 1.6mm Thk

4шт.

4

13604011

SPACER,6.5mm ID x 15mm OD x 5mm L

D15 x 5mm

2шт.

5

84536921

CABLE TIE,203.2mm L

D8 x 1.8mm

1шт.

Выбрано товаров: 7