Запчасти Case 121F (55.512.AA[03]) - VAR - 734504 - CAB, RADIO, SET (55) - ELECTRICAL SYSTEMS

Схема запчастей Case 121F - (55.512.AA[03]) - VAR - 734504 - CAB, RADIO, SET (55) - ELECTRICAL SYSTEMS
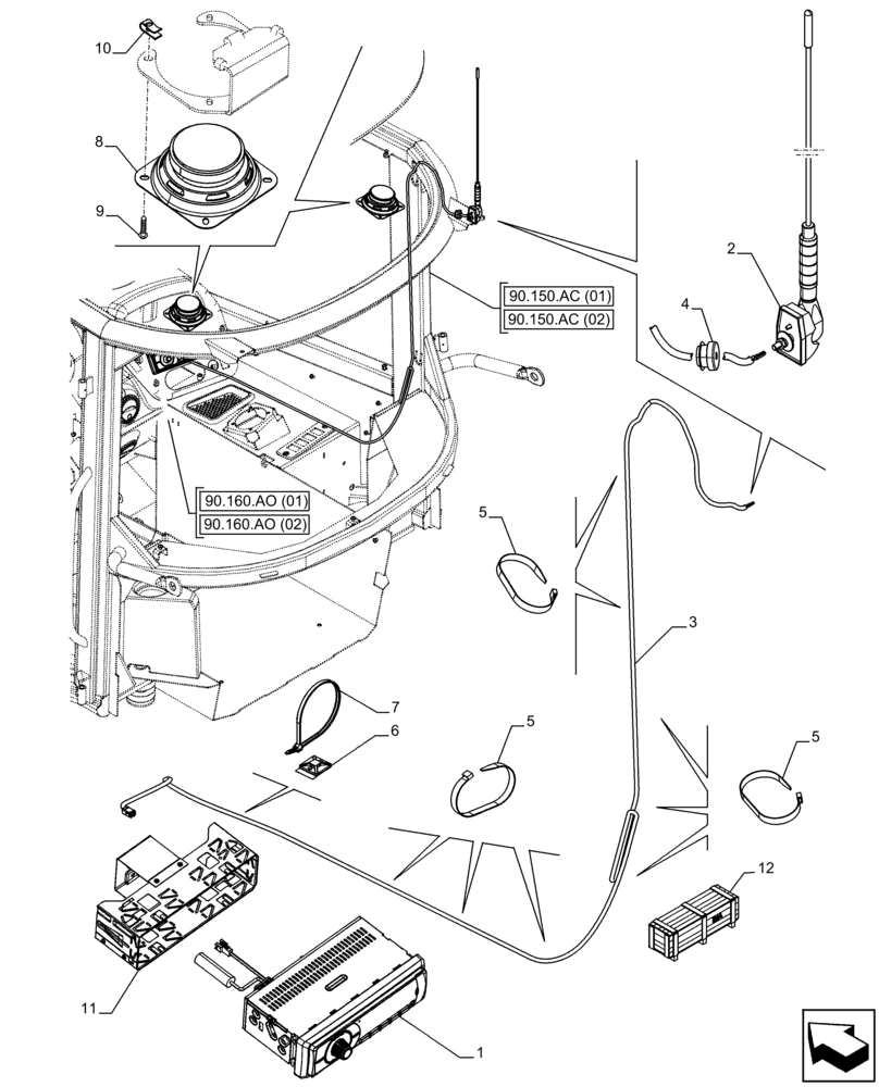
1
90.160.ao (01)
8
4
2
90.150.ac (01)
3
90.150.ac (02)
10
11
90.160.ao (02)
5
5
12
5
6
9
7
FIT
1:1
100%

Артикул

Название

Примечание

Количество

1

47395403

RADIO

AM/FM/WB/AUX/Bluetooth

1шт.

2

82008643

ANTENNA

1шт.

3

47406128

CABLE

Radio Bluetooth

1шт.

4

47617381

GROMMET

1шт.

5

435437A1

CABLE TIE,3/16" x 7 1/4"

9шт.

6

47611865

RETAINER

1шт.

7

84250313

STRAP

1шт.

8

82014549

SPEAKER

Radio Receiver

2шт.

9

761-17325

SELF-TAP SCREW,Pan Hd, M4.2 x 25

8шт.

10

302862A1

SPRING NUT,4.2 Thread

8шт.

11

47396515

SHIELD

1шт.

12

47724476

CONSTRUCTION DIA

Radio Mp3 - USB - EU, Incl 1 - 10

1шт.

To See Full DIA KIT Composition Look for all the Figures where the DIA KIT PIN Is Shown

1шт.

Выбрано товаров: 13