Запчасти Case 121F (71.460.AF[02]) - REAR AXLE, LUBRICATION LINE (71) - LUBRICATION SYSTEM

Схема запчастей Case 121F - (71.460.AF[02]) - REAR AXLE, LUBRICATION LINE (71) - LUBRICATION SYSTEM
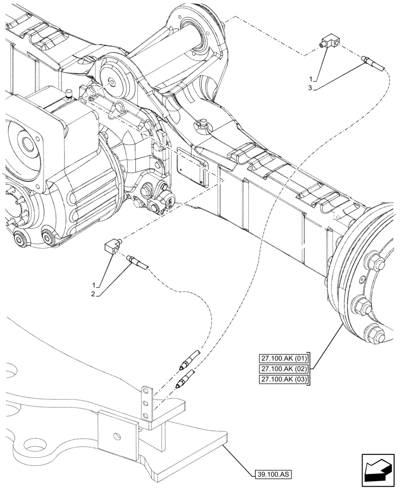
1
1
27.100.ak (01)
3
27.100.ak (03)
2
39.100.as
27.100.ak (02)
FIT
1:1
100%

Артикул

Название

Примечание

Количество

1

76084767

90 ELBOW

2шт.

2

47444812

FLEXIBLE HOSE

Grease

1шт.

3

47444815

FLEXIBLE HOSE

Grease

1шт.

Выбрано товаров: 3