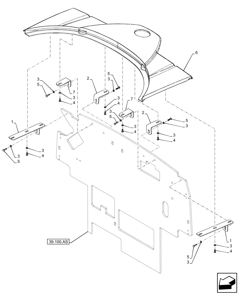
Запчасти Case 121F (90.100.BJ[01]) - UPPER ENGINE HOOD (90) - PLATFORM, CAB, BODYWORK AND DECALS

Схема запчастей Case 121F - (90.100.BJ[01]) - UPPER ENGINE HOOD (90) - PLATFORM, CAB, BODYWORK AND DECALS
3
4
3
5
4
1
7
39.100.as
4
5
3
3
3
5
4
3
3
6
3
2
3
5
3
3
5
5
3
4
4
1
7
2
FIT
1:1
100%

Артикул

Название

Примечание

Количество

1

47589401

BRACKET

2шт.

2

47589278

PLATE

2шт.

3

86624184

WASHER,9mm ID x 16mm OD x 1.6mm Thk

12шт.

4

16043431

SCREW,Hex, M8 x 1.25 x 20mm, Cl 10.9, Full Thd

6шт.

5

16043831

SCREW,Hex, M8 x 1.25 x 30mm, Cl 10.9, Full Thd

6шт.

6

47490445

COVER

Grey painted, Years: -14-SEP-15

1шт.

6

47737800

COVER

Power Tan painted, Start Year: 15-SEP-15

1шт.

7

47588492

GASKET

2шт.

Выбрано товаров: 8