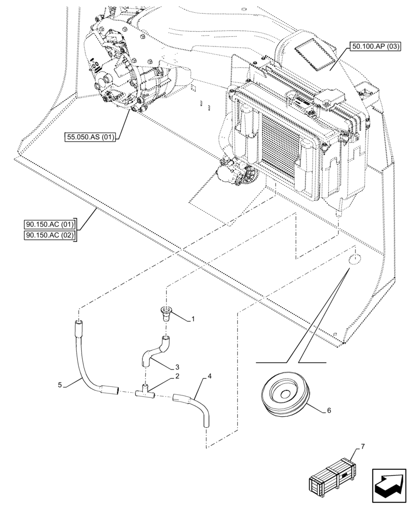
Запчасти Case 121F (50.200.CZ) - VAR - 734506 - AIR CONDITIONER, DRAIN LINE (50) - CAB CLIMATE CONTROL

Схема запчастей Case 121F - (50.200.CZ) - VAR - 734506 - AIR CONDITIONER, DRAIN LINE (50) - CAB CLIMATE CONTROL
6
2
55.050.as (01)
3
7
50.100.ap (03)
90.150.ac (01)
4
90.150.ac (02)
1
5
FIT
1:1
100%

Артикул

Название

Примечание

Количество

1

47567204

PIPE

1шт.

2

47567200

PIPE FITTING

1шт.

3

47567169

PIPE

1шт.

4

47567192

PIPE

1шт.

5

47567196

PIPE

1шт.

6

10397780

INSULATING RING

1шт.

7

47731629

KIT

Air Conditioner and Heater W50C - W60C, 21F - 121F, Incl 1 - 6

1шт.

To See Full DIA KIT Composition Look for all the Figures where the DIA KIT PIN Is Shown

1шт.

7

47731630

KIT

Air Conditioner and Heater W70C - W80C, 221F - 321F, Incl 1 - 6

1шт.

To See Full DIA KIT Composition Look for all the Figures where the DIA KIT PIN Is Shown

1шт.

Выбрано товаров: 10