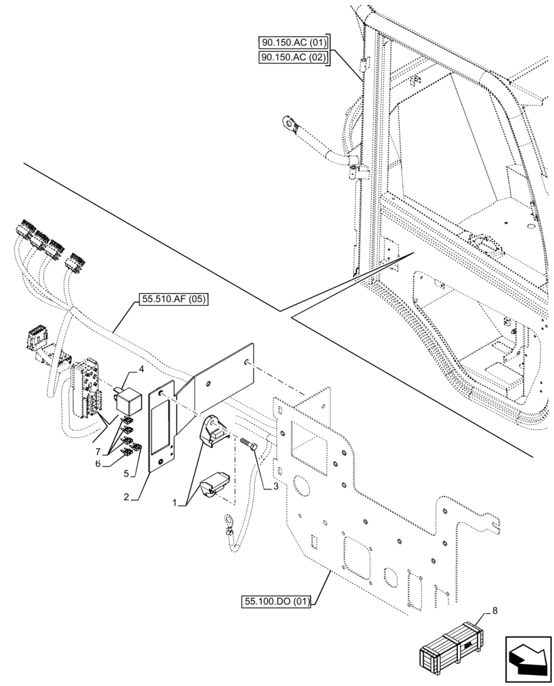
Запчасти Case 121F (55.100.DO[05]) - VAR - 732005, 732006, 734588, 734651, 734652 - FUSE, RELAY (55) - ELECTRICAL SYSTEMS

Схема запчастей Case 121F - (55.100.DO[05]) - VAR - 732005, 732006, 734588, 734651, 734652 - FUSE, RELAY (55) - ELECTRICAL SYSTEMS
55.510.af (05)
4
90.150.ac (01)
1
7
3
5
55.100.do (01)
2
6
90.150.ac (02)
8
FIT
1:1
100%

Артикул

Название

Примечание

Количество

1

87588035

BRACKET

Fuse Holder

2шт.

2

47672316

BRACKET

Auxiliary Front Relay Support

1шт.

3

86977786

BOLT,Hex, M6 x 1 x 25mm, Cl 8.8

2шт.

4

87341931

RELAY,Mini ISO, 12V, 70A

IGN Load 70A

1шт.

5

84127705

FUSE,25A, Mini, White

25A

1шт.

6

84127703

FUSE,15A, Mini, Blue

15A

1шт.

7

84152583

FUSE,7.5A, Mini, Brown

7.5A

3шт.

8

47724485

CONSTRUCTION DIA

Auxiliary Front, Electrical, Incl 1 - 7

1шт.

To See Full DIA KIT Composition Look for all the Figures where the DIA KIT PIN Is Shown

1шт.

Выбрано товаров: 9