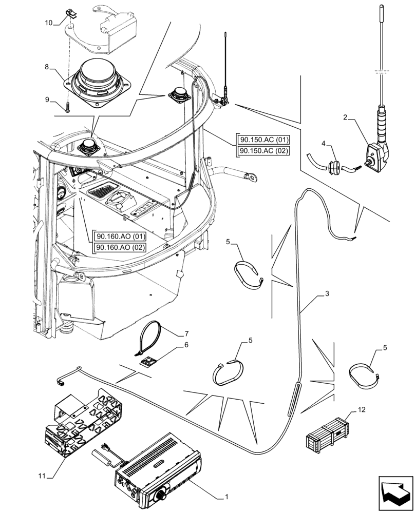
Запчасти Case 121F (55.512.AA[02]) - VAR - 734503 - CAB, RADIO, SET (55) - ELECTRICAL SYSTEMS

Схема запчастей Case 121F - (55.512.AA[02]) - VAR - 734503 - CAB, RADIO, SET (55) - ELECTRICAL SYSTEMS
5
90.160.ao (02)
3
11
8
5
2
9
10
1
12
90.160.ao (01)
6
4
5
90.150.ac (01)
7
90.150.ac (02)
FIT
1:1
100%

Артикул

Название

Примечание

Количество

1

84399209

RADIO,AM/FM/WB/AUX

AM/FM/WB/AUX

1шт.

2

82008643

ANTENNA

1шт.

3

47406128

CABLE

Radio

1шт.

4

47617381

GROMMET

1шт.

5

435437A1

CABLE TIE,3/16" x 7 1/4"

9шт.

6

47611865

RETAINER

1шт.

7

84250313

STRAP

1шт.

8

82014549

SPEAKER

Radio Receiver

2шт.

9

761-17325

SELF-TAP SCREW,Pan Hd, M4.2 x 25

8шт.

10

302862A1

SPRING NUT,4.2 Thread

8шт.

11

47396515

SHIELD

1шт.

12

47724476

CONSTRUCTION DIA

Radio Mp3 - USB - EU, Incl 1 - 10

1шт.

To See Full DIA KIT Composition Look for all the Figures where the DIA KIT PIN Is Shown

1шт.

Выбрано товаров: 0