Запчасти Case 21F (27.100.AT) - REAR AXLE, SUPPORT, SUSPENSION (27) - REAR AXLE SYSTEM

Схема запчастей Case 21F - (27.100.AT) - REAR AXLE, SUPPORT, SUSPENSION (27) - REAR AXLE SYSTEM
5
4
71.460.af (02)
2
25.100.aa (02)
3
25.100.aa (03)
25.100.aa (01)
5
2
39.100.ay
4
1
2
FIT
1:1
100%

Артикул

Название

Примечание

Количество

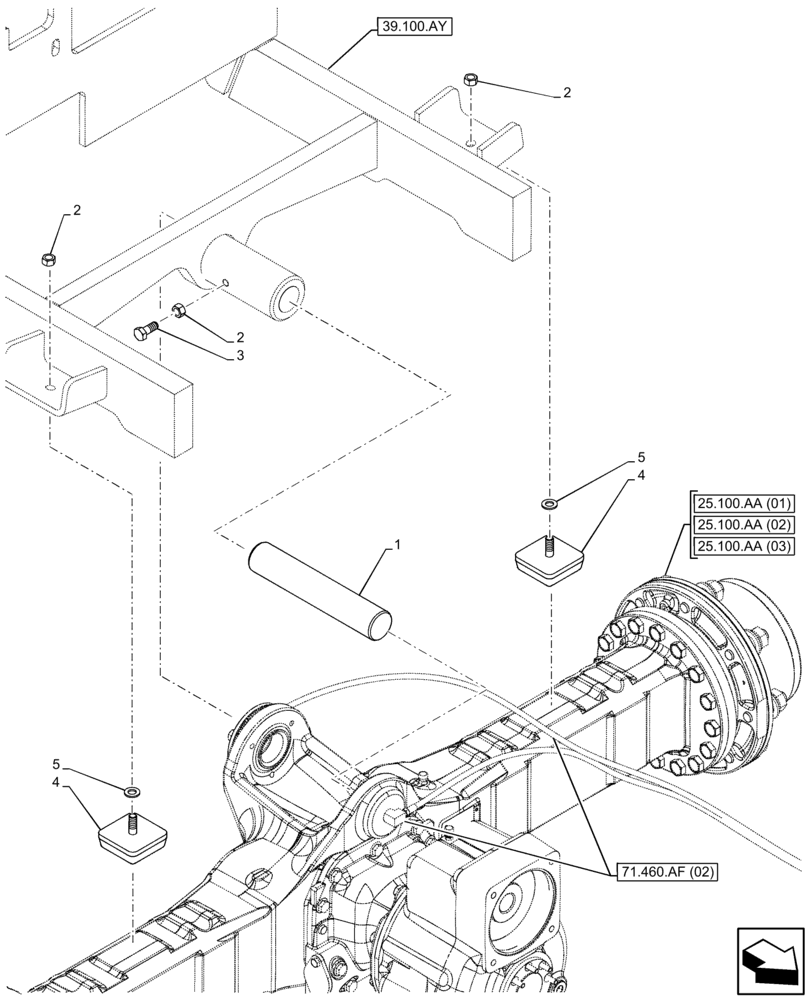
1

2120409

PIN,50mm OD x 265mm L

1шт.

2

337475

NUT,M12, Cl 10

3шт.

3

11112431

SCREW,Hex, M12 x 30mm, Cl 10.9, Full Thd

1шт.

4

2929663

BUMPER

2шт.

5

10520021

WASHER,12.2mm ID x 22mm OD x 3mm Thk

2шт.

Выбрано товаров: 5